一 轻工行业报告模板参考
封面


声明页

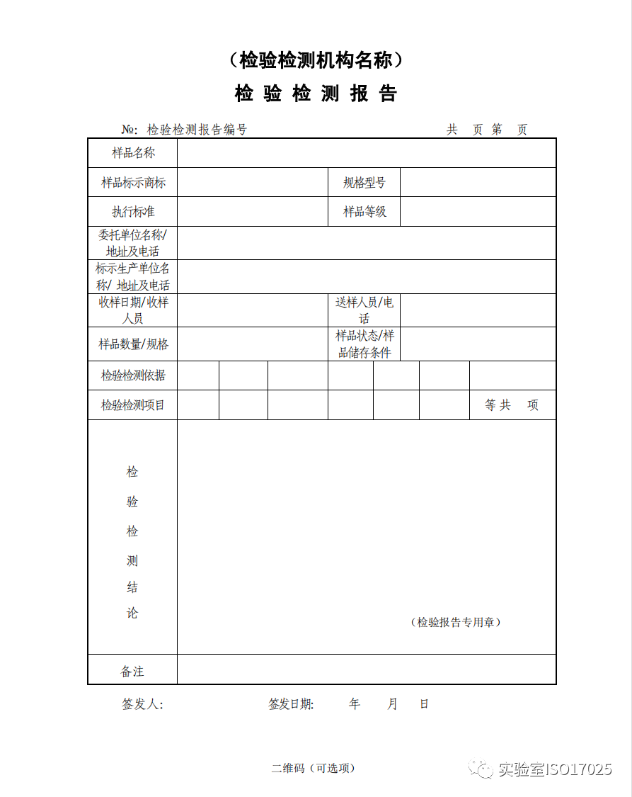
报告页(基本信息)

报告页(数据)

报告页(附件)

二 食品行业报告模板参考
封面

声明页

报告页(基本信息)

报告页(数据)

报告页(附件)

附:我中心9-12月份课程表,需要时可以选择参加我认研中心CCAI 《内审员》《授权签字人质量负责人技术负责人》《不确定度》《仪器设备管理期间核》《内审和管理评审实操》《体系文件编写》等培训班,具体时间参看下表相应班次,报名联系人:刘红义13716979845微信同号




扫码或长按二维码, 关注本微信公众号获取更多内容!敬请点击在看,转发,分享
国家市场监管总局认研中心 ,长期提供检验检测机构CMA资质认定和CNAS实验室认可各项目培训及资质认定/认可技术咨询指导服务。
