发布信息
登陆/注册
搜索
搜索
导航
首页
产品供应
产品求购
企业库
酒业展会
行业资讯
认证会员
站内搜索
食品餐饮
当前位置:
首页
食品餐饮
正文
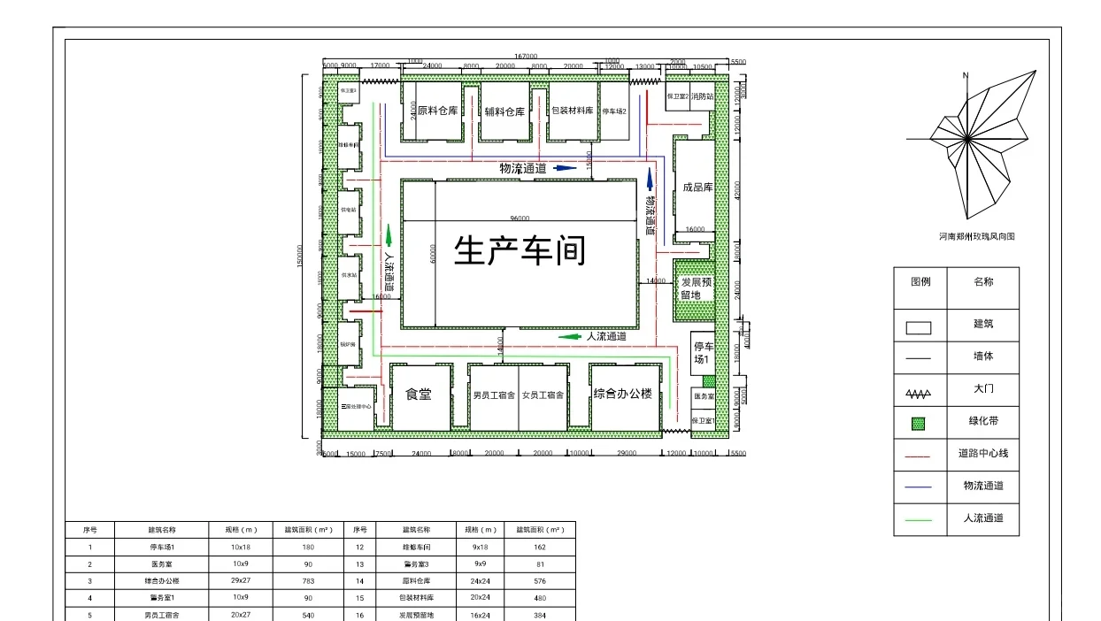
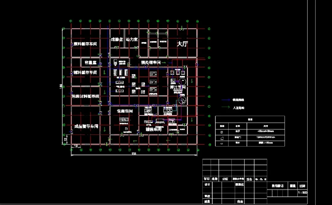
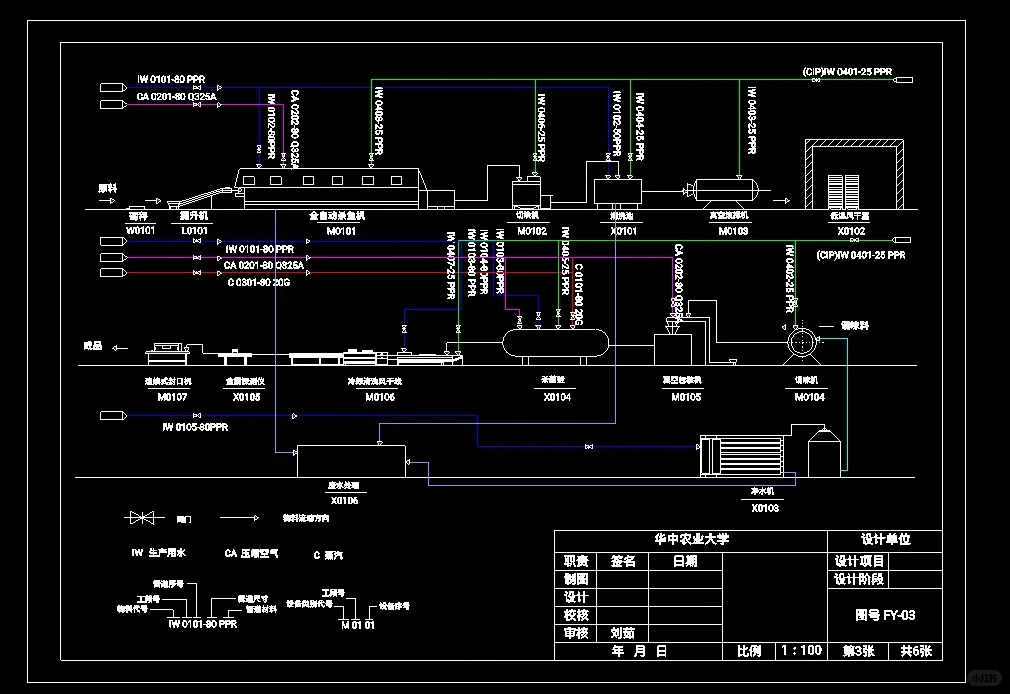
工厂设计,食品工厂设计/生物工厂设计
作者:本站编辑
2025-12-19 05:26:55
12
工厂设计,食品工厂设计/生物工厂设计
CAD工厂设计,食品工厂设计,生物工厂设计,
全厂平面布置图
车间平面布置图
车间立剖图
工艺流程图
主要设备图
管路布置图
可定制,可改图
根据具体要求定价
#工厂设计
#食品工厂设计
#生物工厂设计
#食品科学与工程
#生物工程
#CAD
#食品工厂设计cad
#CAD制图
下一篇:
上市公司的融资方式一般有哪些?
上一篇:
上海企业贷款超全攻略
相关内容
查看全部
《食品与餐饮连锁
2026-01-20 15:46
余华林实地调研食
2026-01-11 19:43
在大盘震荡走势的
2026-01-06 21:02
【海外宠业】阿根
2026-01-05 13:16
河南国调总队调研
2026-01-02 15:14
李健率队调研食品
2026-01-02 15:12
民进黑龙江省委会
2026-01-01 00:31
中国宠物食品行业
2026-01-01 00:26
李明远调研食品工
2026-01-01 00:26
刚刚公布!新野43
2026-01-01 00:25