发布信息

现行 各行业 不同类型机械设备 振动限值(收藏,随时随地查阅)

作者:本站编辑      2023-09-01 00:48:53     74
振动诊断

内容涵盖振动诊断技术、振动案例知识,定期发布相关培训信息,有偿征稿。部分文章转自网络供读者学习参考,若有异议及时告知,予以删除。

需要现场振动诊断,现场转子平衡,仪器购置者可留言或电话联系。

现行各行业、不同类型的机械设备振动限值  

1、GB/T6075.3一2011/ISO10816-3:2009

机械振动 在非旋转部件上测量评价机器的振动第3部分:额定功率大于15KW额定转速在120r/min15000r/min之间的在现场测量的工业机

1)适用范图
GB/T6075的本部分给出了现场测量时评估振动水平的准则,该准则适用于功率大于15KW、运行转速在120r/min至15000r/min的机组。
本部分所深盖的机器为:
——功率不大于50MW的汽轮机;
——汽轮机组功率大于50MW、但转速低于1500r/min或高于3600r/min(即不包括ISO10816-2中涵盖的机组);
——旋转式压缩机;
——功率不大于3MW的工业燃气轮机;
——发电机;
——各种类型的电动机;
——鼓风机或风机。
:本部分的振动准则通常仅适用于额定助率大于300KW的风机或非柔性支承的风机。当条件允许时,准备推荐其他类型的风机,包括那些采用轻型薄金属板结构的风机。在此以前,制造厂与用户可根据以前的运行经验结果来商定为双方所接受的振动分类,参见ISO1469400
下列机器不属于本部分的范围:
——助率大于50MW陆地安装的汽轮发电机组,其转速为1500r/min1800r/min3000r/min3600r/min(ISO10816-2)3
——功率大于3MW的燃气轮机(ISO10816-4);
——水力发电厂和泵站机组(ISD10816-5)
——与往复式机器联接的机器(ISO10816-6);
——包含集成电动机的转子动力泵,例如,叶轮直接安装在电动机轴上或与其刚性连接(ISO10816-7);
——回转压缩机(例如螺杆压缩机)
——往复式压缩机:
——往复泵;
——潜水电动泵;
——风力涡轮机。
本部分的振动准则适用于额定工作转速内、稳定运行状况,在机器轴承、轴承座或机座上现场进行的宽频带振动测量。它们涉及到验收试验及运行监测。本部分的评价准则用于连续与非连续监测,情况。
本部分包含带齿轮或滚动轻承的机器,但不涉及这些齿轮或滚动轴承状态的诊断评价。
本部分仅适用于由机器本身产生的振动,而不适用于由外界振源传递到机器的振动。

2)测量位置

3)按机器类型.颜定功率或轴高分类

由于设计、型号或轴承及支承结构的显著区别将机器分类成两组(轴高,见ISO496),这两组机器可具有水平,垂直及倾斜轴并且可安装在刚性或柔性基础上。

1组:额定功率大于300KW的大型机器;轴高≥315mm的电机。这类机器通常具有滑动轴承。运行或额定转速范围相对较宽,从120r/min至15000r/min。

2组:频定功率大于15kKW,小于或等于300kKW中型机器;轴高160mm≤H<315mm的电机。这类机器通常具有滚动轻承并且运行转速超过600r/min。

注1:ISO496定义的机器的轴高九是机器交货时测量轴中心至机器自身基础面的际离(参见图1)。

注2:对于没有基座的机器,具有垫高的基座的机器.任何立式机器,其轴高应当取为在同样基础框架但为水平轴基座安装类型的机器轶高。当机架未知时,可采用机器直径的一半作为轴高。

4)振动评价

区域A:新交付的机器的振动通常落在该区域。

区域B:机器振动处在该区域通常认为可无限制长期运行,

区域C:机器振动处在该区域一般不适宜作长时间连续运行,通常机器可在此状态下运行有限时间,直到有札取补救措施的合适时机为止。

区域D:机器振动处在该区域通常认为其振动烈度足以导致机器损坏。

2、GB/T6075.22012/ISO10816-2:2009

机械振动 在非旋转部件上测量评价机器的振动 2部分:功率50MW以上,颜定转速1500r/min1800r/min3000r/min3600r/min陆地安装的汽轮机和发电机

1)适用范图

GB/T6075的本郡分规定了机器现场振动烈度的评价,适用于所有主轴承箱体或轴承座在轴的径向(即横向和推力轴承的轴向测量的宽带振动。它们包括:

一一正常稳态运行工况下的振动;

一一瞬态变化(包括升速或降速,初始加负荷和负荷变化?时其他(非稳态)工况期间的振动;

一一在正常稳态运行期间发生的振动变化。

本部分适用于额定转速1500r/min、1800r/min,3000r/min或3600r/min,输出功率大于50MW的陆地安装的汽轮机和发电机,也适用于直接与燃气轮机联接的汽轮机和(或)发电机(例如联合循环应用)。在这些情况下,本部分的准则仅适用于汽轮机和发电机(包括同步离合器)。ISO7919-4和ISO10816-4适用于蒸气轮机振动的评价。

本部分的这些评价准则不适用于在发电机定子铁芯和外壳上的2倍频的电磁激励振动。

本部分所规定的数值不准备作为评价振动烈度的唯一依据。对于大型汽轮机和发电机,通常也用旋转轴的振动来评价。对这些振动测量的要求见GB/T11348.1和GB/TT11348.2。

2)测量位置

3)振动评价

区域A 新交付的机器的振动通常属于该区域

区域B 机器振动处在该区域通常可长期运行

区域C 机器振动处在该区域一般不适宜作长时间连续运行 通常机器可在此状态下运行有限时间直到有采取补救措施的合适时机为止

区域D 机器振动处在该区域其振动烈度足以导致机器损坏

3、GB/T6075.4一2015/ISO10816-4:2009

机械振动 在非旋转部件上测量评价机器的振动 第4部分:具有滑动轴承的燃气轮机组

1)适用范图

GB/T6075的本部分规定了机器现场振动烈度的评价,适用于所有主轴承箱体或轴承座在轴的径向(即横向和推力轴承的鞅向测量的宽带振动。它们包括:

一一正常稳态运行工况下的振动;

一一瞬态变化(包括升速或降速、初始加负荷和负荷变化时其他(非稳态)工况期间的振动;

一一在正常稳态运行期间发生的振动变化。

本部分适用于正常工作转速范围在3000r/min一30000r/min,输出功率大于3MW,具有滑动轴承的发电以及机械驱动用重型燃气轮机组,包括直接或通过齿轮箱连接着旋转设备的燕气轮机。在一些情况下,本部分不适用于评价燃气轮机所连接着的其他设备的振动。

例如:对单轴联合循环机组,燃气轮机与燕汽轮机及发电机连接在一起,评价燕气轮机的振动使用本部分,评价蒸汽轮机和发电机的振动分别使用GB/T6075.1和ISO10816-3。

本部分不适用于以下各项设备的振动:

——航空派生型燃气轮机(包括与航空派生型蒸气轮机动力特性类似的燃气轮机);

注:ISO3977-3定义了航空派生型机组为航空动力发生器,造用于机榄动力.发电或船用动力设备。重型燃气轮机与航空派生型燃气轮机的主要区别在于气缸的挠伯.轴承的设计,转子与静予的质量比以及安装结构。因此,这两种类型的燃气轮机适用不同的振动评价准则。

——输出功率小于或等于3MW的燃气轮机(参见ISO10816-3);

——燃机驱动泵(参见ISO10816-7)

——和(或)燃气轮机相连的输出功率小于或等于50MW的燃汽轮机和发电机(参见ISO10816-3)

——和(或)燃气轮机相连的输出功率大于50MW的蒸汽轮机和发电机(参见ISO10816-2)3) 连接燃气轮机与燕汽轮机或发电机的同步离合器(参见ISO10816-2)

——驱动的压缩机(参见ISO10816-3);

——齿转箱;

——滚动轴承。

本部分适用于以上所列设备之外的其他驱动装置。

本部分适用于通过齿轮箱相连的其他机器,但不用作对齿轮的振动条件进行评价。对齿轮振动的评价需要特殊的技术要求,超出了本部分的范围。本郜分所规定的数值并不是评价振动烈度的唯一依据。对于燃气轮机组,通常也用旋转轴的振动来评价。对这些振动测量的要求参见ISO7919-1和ISO7919-4。

2)测量位置

3)振动评价

区域A:新投产的机器,振动通常在此区域内。

区域B:振动在此区域内的机器,通常认为可以不受限制地长期运行。

区域C:通常认为振动在此区域内的机器,不适宜长期连续运行。该机器可在这种状态下运行有限时间,直到有合适时机采取补救措施为止。

区战D:振动在此区域通常被认为振动剧烈,足以引起机器损伤。

4、GB/T6075.5一2002 idtISO10816-5:2000

在非旋转部件上测量和评价机器的机械振动 第5部分:水力发电厂和泵站机组

1)适用范图

本标准规定了水力发电厂和泵站机组在非旋转部件上振动的测量和评价准则。

本标准适用于水力发电厂和泵站机组正常工况下在轴承、.轴承支架或轴承座上进行振动测量和评价。

本标准对在非旋转部件上振动的测量和评价准则从两个方面进行:一是稳态运行的振动值,二是稳态运行时可能出现的振动变化,所规定的数值不作为振动评价的唯一依据,因为评价机械的振动状态通常要考虑转轴振动和轴承座振动两个方面(见GB/T6075.1和GB/T11348.1的引言)。

本标准适用于水力发电厂和泵站机组,其频定转速为(60一1800)r/min,轴瓦类型为简式或分块瓦式轶承,主机功率大于或等于1MW。轴线的位置可以是垂直、水平或与这两个方向成任意角度。

本标准适用的机组有以下组合:

a)水轮机和水轮发电机;

b)水泵和作电动机运行的电机:

c)水泵-水轮机和电动机-发电机。

包括辅助设备(如轴线上的启动水轮机或励磁机)。目前本标准只对机组的主要轴承。

本标准也适用于通过齿轮或径向弹性联轴器与发电机或电动机连接的水轮机或泵.但是,这种类型的电机主要应该用GB/T6075.3规定的准则来评价。

本标准不适用于以下机器:

a)热电厂或工业设备上的泵(见GB/T11348.37)

b)用滚动轴承的水力机器。

本准则主要用于机组自身产生的振动。必要时也应专门考虑外部振源传给机组的振动。

2)测量位置

3)振动评价

区域A:新交付使用的机器的振动通常应在此区域内;

区域B:通常认为振动在此区域内的机器可以无限制地长期运行;

区域C:通常认为振动在此区域内的机器不宣长期持续运行。一般来说,在有适当机会采取补救措施之,机器在这种状态下可以运行有限的-一段时间;

区域D:通常认为在此区域的振动已经非常严重,尸以导致机器损坏。

5、GB/T6075.6一2002 idtISO10816-6:1995

在非旋转部件上测量和评价机器的机械振动 第6部分:功率大于100KW的往复式机器

1)适用范图

本标准采用测量整机非旋转及非往复部件振动的方法;评价往复式机器的机械振动。轴的振动,包括扭振,不在本标准范围内。′

本标准适用于刚性或弹性安装的额定功率大于100KW往复活塞式机器上,如舰船用推进发动机、船用辅机.柴油发电机,气体压缩机和机车柴油机。

本标准一般用于运行监测和验收试验,还用于评价机器的振动是否对真接装于机器上的仪器设备有不利的影响。

本标准还应用于由往复式机械驱动或驱动往复式机械的机器,这些将依照相关的标准和分级来评定。

必须清楚,当考虑机器内部部件的效果时本标准的应用是有限制的,如阀门,松弛活塞、活塞环等的问题,不大可能从测量中反映出米,这些问题的鉴别需要木标准范围之外的研究技术,噪声也不在本标淮范围内。

本标准不适用于陆用车辆(如下车.客车.自推进的建筑机械和拖拉机)。

2)测量位置

3)振动评价

振动烈度级在表1中用数值表示出,并在附录C(提示的附录)中给出图解。为定量表示,必须测量位移、速度、加速度总振级的均方根(r.m-s)值(2Hz一1000Ha),振动烈度等级将从每台机器主结构上测量的位移,速度、加速度的最大总均方根(r.m.s)值得到;机器的振动烈度级是这三个级中最大的一个。

例如表2中的振动值是从机器主结构上位置R3.1得出的,相应的振动烈度级从表1中查出,本点的振动烈度级是28,所有其他位置按同样的方法得到,然后找出最大振动烈度级,即为机器振动烈度级。

振动烈度与机器的类型有关,如机器的尺寸、质量及安装系统的特征和运行条件等。所以使用机器烈度级时必须考虑各种各样的目的和相关的环境,沿整个机器长度测得的最大值,将决定机器的振动烈度。往复式机器的分级值和标准值在附录A(标准的附录)中给出。品质评价分为A/B、C、D三个区域,在附录A中给出。

弹性安装广泛用于机器和环境间的振动隔离,它的设计和应用不在本标准范图内。一般情况下,可以参照本标准附录A列人5、6、7类机器,并要得到生产商和用户认可。

附录A  机器振动分级

往复式机器振动分级和标准值在表A1中给出。标准值用于评价对机器的机架和安装在机器上的辅助设备和仪器可能遭受到的振动烈度。

往复式机器可根据它的型叶,用途,尺寸,形状、弹性或刚伯支承及转途划分为几类:例如许多工业和船用柴油机可划分在5,6或7类中。

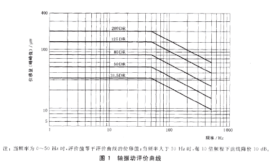
振动烈度级曲线图

振动烈度级曲线图C1给出振动烈度级的范围,多频振动系统很难按离散的频率范围分级,所以每个等级的限值基本反映在表1中。多频振动机器应按测量到的位移、速度、加速度总振级根据表1比较后分级。,

标准烈度级将由机器主结构上测得的位移、速度和加速度的总振级均方根(r.m.s)值的最大值得到,机器振动烈度的等级为所有这三个等级中的最大值。

注:如果一台机器通过频谱分析只有一个特征频率分量,则可直接用图进行分级,使用速度.加速度或位移中任一值。

6、GB/T6075.7一2015/ISO10816-7:2009

机械振动“在非旋转部件上测量评价机器的振动 第7部分:工业应用的旋转动力泵(包括旋转轴测量)

1)适用范图

GB/T6075的本部分介绍了额定功率大于1KW的工业应用旋转动力泵的振动评价,规定了在非

旋转部件(轴承座)上测量评价振动的具体要求,提供了在现场运行时和在工厂或制造商测试设施上进行验收测试时测量评价旋转动力泵轻抚座振动烈度的具体指南。本部分也给出了评价旋转轴相对轴振动的一般信息和指南。

本部分规定了立式泵和卧式泵振动的区域和限值而不考虑它们的支承刚度。

对于集成电动机(叶轮安装于电机轴上或叶轮轴与电机轴刚性连接]的泵组,本部分适用于整个耦合泵组。

对于挠性连接电机的泵组,本部分仅适用于泵本体。本部分不涉及分开安装的驱动机,这些驱动机在ISO10816-3中涉及。

下列类型的泵不属于本部分的范围:

一一往复式和旋转式容积泵;

一一往复式发动机驱动的泵;

一一水力发电厂和泵站中功率大于1MW的泵(参考标准ISO7919-5和ISO10816-5);

一一固体处理泵,泥浆泵和潜水泵。

2)测量位置

3)泵组分类

本部分将泵分为以下两组:

1组:对可靠性、有效性或安全性有高度要求的泵(例如输送有毒有害液体的泵;在石油天然气、特殊化学品核或电站中关键用途的泵;

2组:通用或者非关键用途的泵(例如输送非有害液体的泵)。

注:转速超过600r/min的立式悬挂泵通常属于2组。

4)振动动评价准则

7、GB/T29531一2013

泵的振动测量与评价方法

1)适用范图

本标准适用于转速为600r/min一12000r/min(小于600rI/min可参照使用)的各种型式泵,泵与电动机共轴(或泵轴与电机轴采用刚性联轴器连接)的泵机组。

本标准不适用于潜液泵、往复式容积泵和内燃机驱动的泵机组。

2)测量位置

3)泵的分类

 

卧式泵的中心高规定为由泵的轴线到泵的底座上平面间的距离。

立式泵没有中心高,为了评价振动级别,可将立式泵的出口法兰密封面到碑轴线间的投影距离(如图7一图9)所示史作为中心高。

4)振动评价

泵的振动级别分别为A、B、C、D四级,D为不合格。

泵的振动级别评价方法先按泵的中心高和转速查表2确定泵的类别,再按泵振动烈度级和类别查表3评价泵的振动级别。

杂质泵的振动评价方法,将表2所确定的泵的类别向后推1类,如按表3第一类的泵,用表3中的第二类评价它的振动级别,依此类推。

8、GB/T11348.2一2012

机械振动 在旋转轴上测量评价机器的振动 第2部分:功率大于50MW,颜定工作转速1500r/min、1800r/min、3000r/min、3600r/min陆地安装的汽轮机和发电机

1)适用范围

本部分适用于额定工作转速1500r/min、1800E/min、3000r/min或3600r/min,输出功率大于50MW的陆地安装的汽轮机和发电机,也适用于直接与燃气轮机连接的汽轮机和(或)发电机(例如联合循环应用)。在这些情况下,本部分的准则仅适用于汽转机和发电机(包括同步离合器)。燃气轮机振动应按照GB/T11348.4和GB/T6075.4评价。

一,本部分所规定的这些振动数值并不是评价振动烈度的唯一依据。对于大型汽轮机和发电机通常也用非旋转部件上测量的振动值来评价。对这些振动测量的要求见GB/T6075.1和GB/T6075.2。

2)振动评价

区域A:新投产的机器,振动通常在此区域内。

区域B:振动在此区域内的机器,通常认为可以不受限制地长期运行。

区域C:通常认为振动在此区域内的机器,不适宜长期连续运行。通常,该机器可在这种状态下运行有限时间,直到有合适时机采取补救措施为止。

区域D:振动值在该区域通常被认为振动剧烈,足以引起机器损坏。

9、GB/T11348.3一2011/ISO7919-3:2009

机械振动 在旋转轴上测量评价机器的振动 第3部分:耦合的工业机器

1、适用范围

GB/T11348的本部分给出了对正常运行状态下位于或靠近耦合的工业机器轴承处测量的轴振动的评价准则的应用指南。这些指南是依据稳态运行下的振动及其可能产生的任何幅值变化两方面来提出的。所规定的数值不专门用作评价振动的唯一依据。总体来说,机器振动状态的评价要考虑到轴振动以及相关联的结构的振动两个方面。

本郡分适用于最高连续额定转速在1000r/min至30000r/min范围内且具有滑动轴承的耦合的工业机器。机器大小和功率方面不受限制,包括:

一一汽轮机;透平压缩机;汽轮发电机;涡轮风机;电力驱动装置及耦合的齿轮变速装雾;

转子动力泵(涡轮泵)。

本部分提供的关于泵的信息与ISO10816-7提供的信息互为补产。在特定情况下,评价泵的轴振时,应考意现场运行条件,进行验收试验时的条件和ISO10816-7给出的轴承间隙的影响。

本部分不适用于输出功率大于50MW的电厂陆地安装汽轮发电机组(参见ISO7919-2),也不适用于输出功率大于或等于1MW的水轮发电机组和泵站机组(参见ISO7919-5)。

2、振动评价

区域A:新投产的机器,振动通常在此区域内。

区域B:振动在此区域内的机器,通常认为可以不受限制地长期运行。

区域C:通常认为振动在此区域内的机器,不适宜长期连续运行。通常,该机器可在这种状态下运行有限时间,直到有合适时机采取补救措施为止。

区域D:振动值在该区域通常被认为振动剧烈,足以引起机器损坏。

10、GB/T11348.42015/ISO7919-4:2009

机械振动 在旋转轴上测量评价机器的振动 4部分 具有滑动轴承的燃气轮机组

1)适用范围

GB/T11348的本部分给出了评价位于或靠近主轴承处测得的旋转轴现场径向振动烈度的具体规定。包括:

一一正常稳态运行工况下的振动;

一一瞬态变化(包括升速或降速、初始加负荷和负荷变化)时,其他(非稳态)工况期间的振动;一一正常稳态运行工况期间发生的振动变化。

本部分适用于正常工作转速范围在3000r/min~30000r/min,输出功率大于3MW,具有滑动轴承的发电以及机械驱动用重型燃气轮机组,包括直接或通过齿轮相连接着旋转设备的燃气轮机。在一些情况下,本部分不适用于评价燃气轮机所连接着的其他设备的振动

本部分不适用于以下各项设备的振动:

a)航空渡生型燃气轮机(包括与航空派生型燃气轮机动力特性类似的燃气轮机);

b)输出功率小于或等于3MW的燎气轮机(参见ISO7919-3)

c)燃机驱动泵(参见ISO7919-3)

d)和(或)燃气轮机相连的输出功率小于或等于50MW的蒸汽轮机和发电机(参见ISO7919-3);

e)和(或)燕气轮机相连的输出功率大于50MW的蒸汽轮机和发电机(参见ISO7919-2);

f)连接燃气轮机与蒸汽轮机或发电机的同步离合器(参见ISO7919-23;

g)驱动的压缩机(参见ISO7919-3)

h)齿转箱;

i)滚动轴承。

本部分适用于以上所列设备之外的其他驱动装置。

本部分适用于通过齿轮箱相连的其他机器,但不用作对齿轮的振动状态进行评价。对齿轮振动的评价需要特殊的技术要求,超出了本部分的范围。

本部分规定的这些振动数值并不是评价振动烈度的唯一依据。对于燃气轮机通常也用非旋转部件上测量的振动值来评价。对这些振动测量的要求见ISO10816-1和GB/T6075.4。

2、振动评价

区域A:新投产的机器,振动通常在此区域内。

区域B:振动在此区域内的机器,通常认为可以不受限制地长期运行。

区域C:通常认为振动在此区域内的机器,不适宜长期连续运行。通常,该机器可在这种状态下运行有限时间,直到有合适时机采取补救措施为止。

区域D:振动值在该区域通常被认为振动剧烈,足以引起机器损坏。

11、GB/T11348.5一2008/ISO7919-5:2005

旋转机械转轴径向振动的测量和评定 第5部分:水力发电厂和泵站机组

1)适用范围

本部分适用于水力发电厂和泵站机组,其额定转途为60r/min一1800r/min,轴瓦类型为简式或分块瓦轴承,主机功率大于或等于1MW。轴线的位置可以是垂直、水平或与这两个方向成任意角度。

本部分适用的机组有以下组合,

a)水轮机与水转发电机;

b)泵与作电助机运行的电机;

c)水泵-水轮机和电动机-发电机;

d)水轮机,泵和电动发电机组(典型的薄能机组)。

包括辅助设备(如同轴线上的启动水轮机或励磁机)。

本部分也适用于通过齿轮或径向弹性联轴器与发电机或电动机连接的水轮机或泵。

本部分不适用于以下机器:

a)热电厂或工业设备中的泵,这类机器见CB/T11348.3;

b)用滚动轻承的水力机器;

c)用水润滑轴承的水力机器。

2)振动评价

图A.1中给出了在测量平面上相对位移最大值的推荐值。图A.2中给出了在测量平面上相对位移峰-峰值的推荐值。这两个值是最大工作转速的函数。它们是稳态运行工况下额定转速时在主要承载轴承处或靠近该轴承处,沿径向方向测得的转轴的振动值。

在图A.1和图A.2中,振动幅值的整个区域被划分成2个主要范围,其定义如下:

大区A-B:振动值在此大区域内的机器被认为可以无限制长期运行;

大区C-D:振动值在此大区域内的机器具有较高的振幅。在每种情况下,必须考虑具体的设计和运行条件,判别振动值是否允许长期连续运行。在所有工况下,需要通过比较轴的相对振动值与轴承运转径向间隙和油膜厚度来做出评价。

在图A.1和图A.2中的值是基于从世界各地收集的各种类型、转速和功率的900多台机器的振动数据的统计分析得来的。测量是在机器运转时进行的,这些机器长期正常运行没有故障,团而,被用来建立两个大的区域A-B和C-D的分界线。

在两个大区A-B和C-D内,保留原A/B和C/D边界线,用于表示基于统计的不同振动烈度等级。

区域A:振动值低于A/B边界线(连同低的轴偏心率)的机组可能具有很小的质量,水力和电磁不平衡,并具有高质量的机械对中,以及所要求的轴承圆度和优良的运行工况。

区域D:出于分析和维修的目的,振动值高于C/D边界线的机器通常需耐停机,因为它们的振动被认为相当严重,而且可能导致机器损坏,

12、GB/T7777一2021

容积式压缩机机械振动测量与评价

1)适用范围

本文件规定了容积式压绮机(以下筒称压缩机)机械振动的测量、评价及测量记录内容。

本文件适用于电动机驱动的压维机。

其他方式驱动的压缩机机械振动测量与评价可参照使用。

2)振动评价

13、GB/T6404.2-2005

齿轮装置的验收规范 2部分 验收试验中齿轮装置 机械振动的测量

1)适用范围

GB/T6404的本部分适用于具有独立箱体的闭式增速和减速齿轮装置机械振动的测定,规定了箱体和轴振动的测定方法以及测定振动级的仪器类型、测量方法和测试步骤。包括了验收中的振动等级。

GB/T6404的本部分仅适用于在制造者的试验设备上验收试验的,且在设计速度、载荷、温度范围和润滑条件下测试和运行的齿轮装置。

如经协商一致,齿轮装置也可在其他地方测试,但应在制造者推荐的条件下运转.

对于在现场测量齿轮装置的振动可能还需要其他关于振动评价的标准.

CB/I6404的本部分不适用于一些特殊的或辅助性的齿轮装置,如与齿轮装置做成一体的压缩机、泵、透平等以及不传递动力的齿轮装置。

2)振动评价

14、GB/T9239.1一2006

机械振动 恒态()转子平衡品质要求 1部分:规范与平衡允差的检验

1)适用范围

根据恒态(刚性)转子的机械类型和最高工作转速,对其平衡品质要求提出了建议。这些建以是以国内外的经验为基础的。

本部分规定了剩余不平衡检验的验收准则,以协调旋转机械的制造者利用户之间的关系。

本部分不包括挠性状态转子。

2)振动评价

15、GB/T100682020

轴中心高为56mm及以上电机的机械振动振动的测量、评定及限值

1)适用范围

本标准规定了脱离开任何负载和原动机的旋转电机在规定条件下工厂振动验收试验的方法和振动限值。

本标准适用于轴中心高为56mm及以上、额定输出为50MW及以下、运行转速为120r/min一15000r/min的直流电机和三相交流电机。

本标准不适用于在运行地点(现场)安装的电机,三相换向器电动机、单相电机,单相供电的三相电机,立式水轮发电机,容量大于20MW的汽轮发电机和带磁浮轴承电机或串励电机。

注:在运行地点测量的电机参照ISO20816、ISO10816和ISO7919的现行文件。

2)振动评价

16、JB/T10490-2016

小功率电动机机械振动振动测量方法、评定和限值

1)适用范围

本标准规定了小功率电动机〔以下简称为电动机)机械振动的测量方法、评定和限值。

本标准适用于折算至1500r/min时连续额定功率不超过1.1kW的异步电动机、同步电动机、直流电动机和交流换向器电动机。

本标准不适用于在运行地点中安装运行的电动机。

2)振动评价

17、GB/T358542018

风力发电机组及其组件机械振动测量与评估

1)适用范围

本标准适用于额定功率大于200kKW,并具有下列结构和运行特征的风力发电机组:

一一由钢制塔架和混凝土基础组成的支撑结构;

一一水平轴,多叶片;一一主轴承独立或集成在齿轮箱中;

一一发电机通过齿轮箱驱动或风轮直接驱动;

一一同步发电机或异步发电机;

一一极数固定的发电机或是为了实现转速调节的变极发电机;

一一通过变桨或失速进行输出控制;

一一发电机通过变流器连接电网或直接上网;

一一有主动偏航系统保持与风向同向的机舱。

本标准不适用于齿轮箱和发电机的出厂试验。

本标准不适用于传动链上主轴承和齿轮箱的扭振状态评估。

2)振动评价

区域A:在稳定工况和较少湍流条件下,新服役风力发电机组的振动水平位于该区域。

区域B:振动值处于该区域,风力发电机组及其组件可长期连续运行。

区域C:振动值处于该区域,通常视为风力发电机组及其组件不适合长期连续运行,应尽快调查振动源复核风力发电机组的设计与运行条件,确认当前振动水平是否允许长期连续运行。

区域D:振动值处于该区域,一般视为非常危险,可能导致风力发电机组及其组件损坏,建议立即调查振动源。

18、GB/T108952004

离心机 分离机 机械振动测试方法

1)适用范围

本标凉适用于振动频率在10Hz~1000Hz范围内的离心机和分离机的振动测试.

本标谁仅与机器本身产生的振动有关,而与外部传给它的振动无关。

2)设备分类

Ⅰ类:主电机输出功率在15kW以下的离心机、分离机。

Ⅱ类:主电机输出功率在15KW与75kW(包括15kKW、75KW之间的离心机、分离机。

Ⅲ类:主电机输出功率在75kKW以上的离心机、分离机

3)振动评价

区域A:新交付使用的机器的振动通常属于该区域.

区域B:通常认为振动值在该区域的机器是合格的,可长期运行。

区域C:通常认为振动值在该区域的机器不适宜于长期持续运行。一般来说,该机器可在这种状态下运行有限时间,直到有采取补救措施的合适时机为止

区域D:振动值在这一区域中通常被认为振动剧烈,足以引起机器损环

相关内容 查看全部