
本文旨在从工程技术角度对新产品进行客观探讨,所有观点基于公开发布的技术资料与测试数据。分析内容仅代表作者基于当前信息的个人见解,旨在促进技术交流,不构成任何形式的商业诋毁或购买建议。文中提及的潜在优化空间,源于对行业共同进步的期待。
题记:本次博览会传递出了绕线电感的三条关键信息:AI领域的芯片供电场景下TLVR电感彻底取代一体成型电感已成定局;TLVR电感存在国产化替代的结构性机会,需求巨大,电感单价也高,盈利空间相当大;扁平线方形磁环的共模电感需求将逐步释放,部分圆线圆形磁环的传统共模电感面临被替代。
第十四届中国电子信息博览会(CITE2026)于深圳会展中心(福田)圆满闭幕,本届博览会的主题是:新技术、新产品、新场景。它不仅是年度行业盛事,更是在2026“深圳APEC年”的宏大背景下,向世界集中展示中国电子信息产业创新实力与开放合作姿态的重要窗口,有来自全球的1200余家领军企业与创新团队齐聚一堂,吸引专业观众超7万人次,同期举办30余场论坛活动,共同呈现电子信息产业从底层技术到终端应用的完整生态图谱。

那么这场大会对于咱们这些做电感的家人们传递出了什么指导性的需求信息呢?别急,咱们接着往下看!请坐好扶稳扶手,小编马上发车~嘀嘀嘀~
所谓人是铁,饭是钢,小编先吃个早餐,吃饱了才有力气干活!如果有觉得本篇推文不错的家人,可以在文末点击喜欢作者,给小编价格鸡腿哟!

坐地铁去会展中心,出地铁后,走一段路,隔老远就能看到人行天桥上的宣传标语。

咱们过街,继续往前走。小编提醒:红灯停,绿灯行。要遵守交通规则噢!

接着,咱们来到主会场前,可以先看到这个巨大横幅,大家感受一下!


咱们乘坐电梯,出示入场二维码,进入主会场,大家先感受一下会场的氛围!由于今天(2026.04.11)是博览会最后一天,已经有不少参展收摊回去了,但依然很热闹!小编是上午9点左右拍的照,时间还比较早,等到10点左右,人会更多。小编这里是1号馆,也是主场馆。


本场博览会是CEC中国电子牵头,所以咱们先去CEC的场馆,看一看里面的情况。

CEC的场馆里面主要展示了CEC旗下公司的一些核心产品,包括芯片、集成电路、服务器、笔记本电脑之类的。好了,下面划第一个重点:
扁平线方形磁环的共模电感需求将逐步释放,圆线圆型磁环的传统共模电感可能面临被替代。
我们看一下小华半导体在家电领域的各种解决方案(由于图片中有二维码,可能导致公众号平台的制裁,小编做了处理,还望见谅)。

在展出的8块集成电路板中,我们发现了这类扁平线方形环的共模电感器应用很广。其中图示中的电感标示是“DL 10A-4mH 25091506”。


这类共模电感器在行业内一般称为SQ型共模电感,在某多多上搜索“SQ共模电感”,这个价格大家感受一下!我怎么觉得磁环、底座、漆包铜线和粘接胶的成本加起来都不止3块钱吧?中国这个工业克苏鲁的实力,恐怖如斯



小编这里提一下这种SQ共模电感的优势:
削弱“趋肤效应”
降低“寄生电容”
EMI抑制效果加倍
电流承载能力更强
直流电阻(DCR)更低,温升更小
功率密度更高
漏磁更低
实现全自动化生产
综合成本可控
当然,这种SQ型共模电感也有劣势;
电感量受限
不过,从整体系统综合成本来看,它的优势仍然非常突出。

第一个重点就说到这里了,咱们接着往下看!
在CEC展示的服务器上,小编发现了国内友商的器件,没错,就是来自于消费类电感龙头—顺络电子的电感,大家感受一下!


小编在顺络官网找到了这一款产品,归属于组装式贴片功率电感——WPZ系列。至于是不是TLVR电感,小编觉得大概率不是,因为TLVR电感主要是用在芯片供电方案中,一般会有一排这类电感出现,而不是这么两颗。旁边那颗标识“R47”的电感,是一体成型电感,采用这篇文章中我知道一体成型电感器很夯,但我劝你先别急着夯!的第一种结构设计方案。我们可以注意到,它的表面居然喷了漆,那就90%以上是国产元器件(怕生锈),国外的器件由于材料包覆技术成熟,基本不会喷涂。

好了,CEC的场馆就看到这里了,咱们继续逛。旁边展示的是本次获得“创新金奖”的Hisense的电视,这个尺寸大家感受一下,还是比较震撼的。

咱们接着逛,1号馆有很多AI极其周边硬件配套,我们身边看看里面用了什么电感?还有之前说的TLVR导致一体成型的史诗级滑铁卢,是不是危言耸听了?为了逻辑清晰,先展示我看到的服务器上的少数方案。
供电功率较小的主板上,使用Pulse的PA3784.121HL电感,还有“2207 M1 CN”,我猜是22年7月份中国制造的意思,Pulse中国分公司制造,这已经是4年前的方案了,难怪用了这颗电感。

小编找到了Pulse这颗料的资料,大家可以参考一下。这类产品已经是一款很成熟的组装式功率电感了,各大国内电感厂家均有在售。

还有使用TR电感的,应该是上述Pulse电感的国产化替代品,大家参考一下。这些都是单个绕组(单个端子)的差模功率电感。


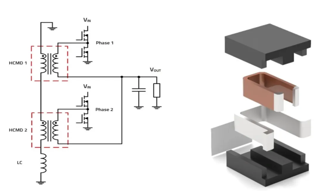
接下来来到重头戏了,之前小编发的这篇关于AI采用TLVR供电方案推文。
行业观察:AI遇上TLVR技术,一体成型或将遭遇史诗级滑铁卢

里面说的内容,到底是是真的假的?目前新的供电技术落地情况怎么样?小编这次也是实地去看了服务器的主板,并且问了不少于20个服务器厂家的技术人员。
先说答案:小编看到的,参展中至少90%以上的AI服务器主板采用了TLVR供电方案。
有人问了:还有10%为什么没采用呢?小编得到的答案是:那些主板要不就是老古董(比如上文中用Pulse的那块板,4年前的东西了),要不就是小功率的那种服务器,负载很小。
目前90%以上的服务器主板,主流方案已经使用了TLVR供电技术,实物图中可见一排排的TLVR电感,附近还有配了一颗R47或1R0或3R3的一体成型电感,这一颗一体成型电感正是原理图中的补偿电感Lc。

下面是AI服务器主板的多张实物图来临,流量警告!







以上TLVR电感,基本肯定是来自于TDK,目前主流厂家中,只有TDK的TLVR电感是这种外观,电感正上方是透明的,贴了一张黄色的高温胶纸,和上述主板中的TLVR电感正好吻合。

我们再看看以下的主板,使用的TLVR电感表面没有黄色的高温胶纸,小编仔细看过了,那个金属片表面明显有胶残留,明显是把之前粘在上面的标签纸给撕掉了,为了更好的散热。电感上没有看到电感量标称值,也没有看到其他信息。基本可以肯定的是:标称值打在了电感顶部的贴纸上,贴纸被撕掉了。


小编又找到了一块主板,TLVR电感的标签没有撕掉,大家参考一下。我们不难看到,下图中有白色标签“R10”的TLVR电感。为什么小编说不能完全排除TDK呢?因为附近TDK的电感(黄色)其标示是打在黄色高温胶纸表面的,而非侧面,撕掉了那个黄色胶纸后,也会变成上图的样子。

目前使用白色标签的TLVR电感,国外有这两个主流厂家:伍尔特和BOURNS。

国内有科达嘉和麦捷科技。


小编这里吐槽一句:麦捷能不能把自己公司的官方网站好好维护一下,多花点钱嘛,这个是值得的,官网是最好的推广渠道。之前你们的官网一直就是产品图片显示不正常,现在直接404了。粉丝里面有没有麦捷的人,赶紧和你们的领导反馈一下吧!

综上,上面两款主板中,撕掉了标签并露出内部白色铜箔的TLVR电感,基本可以排除以下厂家:
顺络:标示在侧面,标示内容为电感量标称值;

Pulse:标示在侧面,标示内容为电感量标称值和公司logo;

线艺:标示在侧面,标示内容为电感量标称值和公司logo;

乾坤:标示在侧面;

TLVR电感的事情,就讲到这里,咱们继续逛博览会。
博览会还有低空经济,展示一辆直升机。

现场还有很多机器人表演,机器人乐队、机器狗和机器人茶艺等。



这种博览会也正是去友商那里学习最好的机会,小编就准备去友商那里看看,有没有值得学习和激发灵感的电感新品。于是找了一圈,那些电感的大中厂,比如顺络、风华、麦捷等一家都没见着!

只看到了科达嘉,于是小编就果断进去了,向优秀的同行学习一下。小编把他们家展示的全部产品全部细看了一边,他们家的绕线电感确实挺全的,组装类的绕线电感居多,前面提到的两个趋势产品:SQ共模电感和TLVR电感,他们也都有,也都参展了。确实有点东西!虽然,并没有看到让小编眼前一亮的新产品,但是他们家的绕线电感外观的确挺漂亮的。

他们家着实也吓到了小编,吓得我“撒腿就跑”!是个啥事呢?我简单说一下。
前面不是说,小编看的很认真嘛,自己个子也挺高的,所以基本都是弯下腰,俯下身子去看他们产品的一些设计细节,他们工作人员就注意到我了,走过来问我是干啥的,看这么认真,是不是同行?这里小编就小声说,自己是他们同行的设计师,刚好路过就顺路过来学习一下。可能有人说:小编去偷学技术啦?不至于,不至于,这些东西既然已经公开展示出来了,就不属于技术秘密。
他们家在展会现场的领导就过来了,和小编打招呼客套一下嘛。这就很尴尬了,小编本来就只是想看看电感,然后赶紧跑路的,没想到搞了这一出。于是,小编就硬着头皮也打招呼咯。然后他们现场好几个工作人员都围了过来,为了避免尴尬,就说他们家的产品外观挺不错,然后官网做的也挺好,产品展示和性能指标这些查找起来很方便,目前小编觉得国内电感公司的官网做得比较不错的两家,一家是顺络,另外一家就是他们。
小编说明一下:科达嘉在这两个地方的确做得不错,小编也是实话实说。
那个领导就很开心嘛,居然现场邀请小编跳槽去他们家
这里就更尴尬了,聊不下去了嘛,于是小编就赶紧跑路了
这里想说的是,咱们电感这个行业,希望各位优秀的应届毕业生多考虑考虑!据小编所知,这个行业的技术人才缺口还是蛮大的,各个电感公司都在招人,大家不妨拿着小编的写的招聘秘籍面向2026年毕业季春招:资深技术老登送你这份磁性元件行业求职指南,毕业后来咱们磁性元件这个行业历练一下。

小编一个闪现,就迅速离开了科达嘉的展位,去找顺络、麦捷、风华等大厂,想去看看有啥新产品,找了一圈,没有!
这就很奇怪了,按道理来说,这种一年一次的行业盛会,这些行业内大厂为啥没来?没道理呀!又不缺这点参展费。于是小编就逛了一圈,准备打道回府了。

在出口位置,小编无意中看到了各大参展公司的摊位信息。好你个顺络和风华(邦科),居然跑去了8号馆,AI这么大的展区不去,和特种电子元件的单位一起坐小桌了。小编11号过去,那个展厅就正好关闭了,就没机会去看了。


看到这里,本次的2026CITE博览会就结束了,小编再次总结这三个点:
SQ绕线共模电感会成为后续的明星产品(后面小编会单独写一期推文来分析其技术必然性);
TLVR电感已经落实到AI领域了,传统的一体成型电感在AI的需求确实是断崖式下降;
国外公司在TLVR电感市场占有率相当大,根据本次展会粗略计算,至少吃下了80%的市场,其中以TDK为主。国内各大电感厂如果实现了TLVR电感的国产化替代,将会带来相当大的盈利想象力。
往期精彩推荐:
网友直呼内行:TDK的电感?英飞凌的管?不可能!绝对不可能!
面向2026年毕业季春招:资深技术老登送你这份磁性元件行业求职指南
行业观察:AI遇上TLVR技术,一体成型或将遭遇史诗级滑铁卢
风险提示:当前若以买办模式进入一体成型电感行业,无异于1949年入国军!
话题标签:
本期就到这里啦~喜欢小编的家人们点个关注哟
点击下图公众号名片,关注小编不迷路
觉得本文有意思的家人们
欢迎点击下方喜欢作者
请小编喝一杯冰可乐,持续产出优质内容!
