
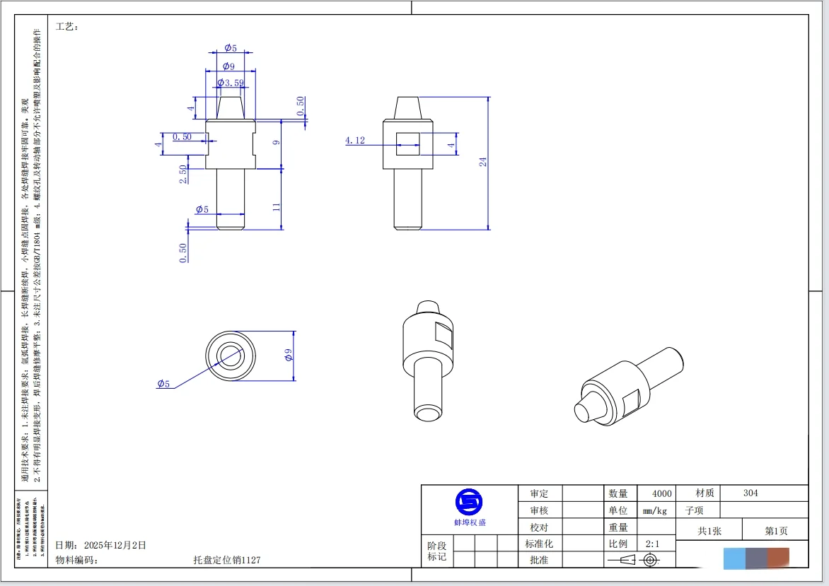
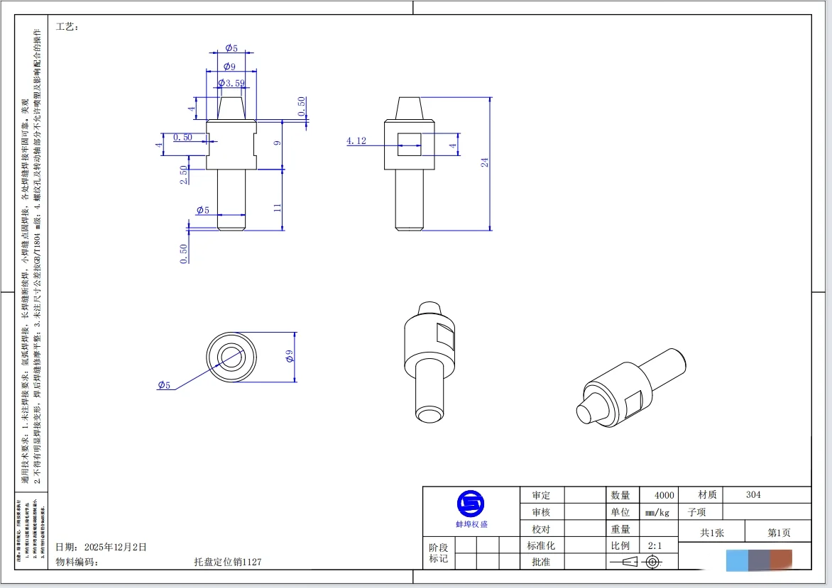
有没有能做定位销的 数量4000件
作者:本站编辑
2025-12-04 20:30:52
9
- 下一篇: 【山鲁】压裂砂原矿分析 压裂砂生产线
- 上一篇: 12.03回踩后周三行情注定了、、、
