发布信息
登陆/注册
搜索
搜索
导航
首页
产品供应
产品求购
企业库
酒业展会
行业资讯
认证会员
站内搜索
行业企业
当前位置:
首页
行业企业
正文
惠采联采购信息
作者:本站编辑
2025-11-23 15:05:48
9
惠采联采购信息
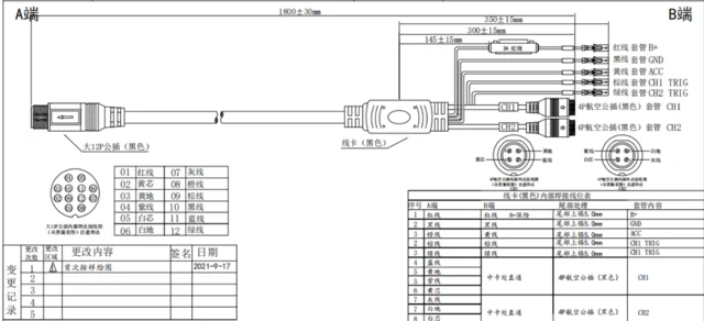
项目31:采购 航空线材,如图这款线,数量 10000条
下一篇:
模具采购:成本核算这样做才精准!
上一篇:
工业机器人厂家寻求设备商、集成商,贸易商
相关内容
查看全部
前所未有!80家轮
2026-04-26 20:57
卡片周刊【4.20-4
2026-04-26 20:55
济宁市行业协会代
2026-04-26 20:42
MLED行业关注|四
2026-04-26 20:36
【行业动态】江苏
2026-04-26 20:31
有机肥烘干机生产
2026-04-26 20:22
【强治理、护民安
2026-04-26 20:17
5月1日起,医疗器
2026-04-26 20:13
水泥砖生产线设备
2026-04-26 20:10
日用品生产行业企
2026-04-26 20:09