




手压阀工作原理
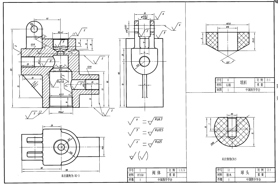
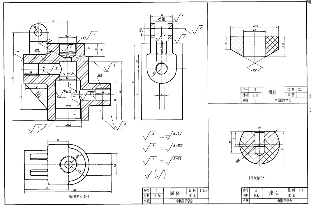
手压阀是一种用于管路中接通和阻断气体或液体的手动阀门。当握住球头11向下推动手柄9时,手柄9下压阀杆7,弹簧6被压缩,阀杆7锥面与阀体1内锥面分离,液体通过;当松开球头11时,弹簧6伸长推动阀杆7上移,阀杆7锥面与阀体1内锥面贴合,阻断液体通过。
#机械设计 #机械 #成图大赛 #全国CAD技能等级 #学科竞赛
手压阀是一种用于管路中接通和阻断气体或液体的手动阀门。当握住球头11向下推动手柄9时,手柄9下压阀杆7,弹簧6被压缩,阀杆7锥面与阀体1内锥面分离,液体通过;当松开球头11时,弹簧6伸长推动阀杆7上移,阀杆7锥面与阀体1内锥面贴合,阻断液体通过。
#机械设计 #机械 #成图大赛 #全国CAD技能等级 #学科竞赛
