



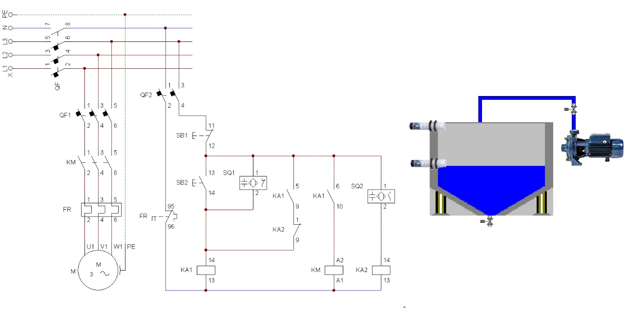
控制要求:模拟现场手动+自动水箱供水电路,手动控制采用了启保停电路;自动控制应用了两个光电开关,一个为常闭型,低水位自动启动,一个为常开型,高水位自动停止,这与电接点压力表恒压供水一样。
控制分析:闭合断路器后,按下启动按钮SB2,电机M工作,可以实现手动供水,按下停止按钮SB1,电机M停止;光电开关控制最低水位、最高水位,当水箱水位为最低水位时,电机M处于供水状态,当水箱水位为最高水位时,电机M停止供水。图中的SQ1、SQ2分别两线制220V常闭型、常开型光电开关。
光电开关已被用作物位检测、液位控制、产品计数、宽度判别、速度检测、定长剪切、孔洞识别、信号延时、自动门传感、色标检出、冲床和剪切机以及安全防护等诸多领域。此外,利用红外线的隐蔽性,还可在银行、仓库、商店、办公室以及其它需要的场合作为防盗警戒之用。
常用的红外线光电开关,是利用物体对近红外线光束的反射原理,由同步回路感应反射回来的光的强弱而检测物体的存在与否来实现功能的,光电传感器首先发出红外线光束到达或透过物体或镜面对红外线光束进行反射,光电传感器接收反射回来的光束,根据光束的强弱判断物体的存在。红外光电开关的种类也非常的多,一般来说有镜反射式光电开关、漫反射式、槽式、对射式、光纤式等几个主要种类。
在不同的场合使用不同的光电开关,例如在电磁振动供料器上经常使用光纤式光电开关,在间歇式包装机包装膜的供送中经常使用漫反射式光电开关,在连续式高速包装机中经常使用槽式光电开关。
图中我使用的是漫反射式光电开关。
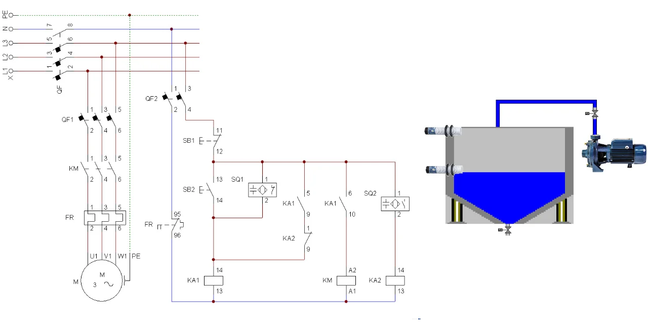
控制分析:闭合断路器后,按下启动按钮SB2,电机M工作,可以实现手动供水,按下停止按钮SB1,电机M停止;光电开关控制最低水位、最高水位,当水箱水位为最低水位时,电机M处于供水状态,当水箱水位为最高水位时,电机M停止供水。图中的SQ1、SQ2分别两线制220V常闭型、常开型光电开关。
光电开关已被用作物位检测、液位控制、产品计数、宽度判别、速度检测、定长剪切、孔洞识别、信号延时、自动门传感、色标检出、冲床和剪切机以及安全防护等诸多领域。此外,利用红外线的隐蔽性,还可在银行、仓库、商店、办公室以及其它需要的场合作为防盗警戒之用。
常用的红外线光电开关,是利用物体对近红外线光束的反射原理,由同步回路感应反射回来的光的强弱而检测物体的存在与否来实现功能的,光电传感器首先发出红外线光束到达或透过物体或镜面对红外线光束进行反射,光电传感器接收反射回来的光束,根据光束的强弱判断物体的存在。红外光电开关的种类也非常的多,一般来说有镜反射式光电开关、漫反射式、槽式、对射式、光纤式等几个主要种类。
在不同的场合使用不同的光电开关,例如在电磁振动供料器上经常使用光纤式光电开关,在间歇式包装机包装膜的供送中经常使用漫反射式光电开关,在连续式高速包装机中经常使用槽式光电开关。
图中我使用的是漫反射式光电开关。
