一、标准的分类
(1)标准包括国家标准、行业标准、地方标准和团体标准、企业标准等五个层次。国家标准分为强制性标准、推荐性标准,行业标准、地方标准是推荐性标准。强制性标准必须执行。国家鼓励采用推荐性标准。
(2)国家工程建设标准分为强制性标准和推荐性标准。凡属于产品标准方面的内容,不得在工程建设国家标准中加以规定
3)行业标准分为强制性标准和推荐性标准。行业标准在相应的国家标准实施后应当及时修订或废止。
二、标准的制定
(1)强制性国家标准。对保障人身健康和生命财产安全、国家安全、生态环境安全以及满足经济社会管理基本需要的技术要求,应当制定强制性国家标准。法律、行政法规和国务院决定对强制性标准的制定另有规定的,从其规定,
(2)推荐性国家标准。对满足基础通用、与强制性国家标准配套、对各有关行业起引领作用等需要的技术要求,可以制定推荐性国家标准。
(3)行业标准。对没有推荐性国家标准、需要在全国某个行业范围内统一的技术要求,可以制定行业标准。
(4)地方标准。为满足地方自然条件、风俗习惯等特殊技术要求,可以制定地方标准。
(5)团体标准。国家鼓励学会、协会、商会、联合会、产业技术联盟等社会团体协调相关市场主体共同制定满足市场和创新需要的团体标准,由本团体成员约定采用或者按照本团体的规定供社会自愿采用。
(6)企业可以根据需要自行制定企业标准,或者与其他企业联合制定企业标准。推荐性国家标准、行业标准、地方标准、团体标准、企业标准的技术要求不得低于强制性国家标准的相关技术要求。
国家鼓励社会团体、企业制定高于推荐性标准相关技术要求的团体标准、企业标准。
三、标准的实施
(1)强制性国家标准的技术要求应当全部强制,并且可验证、可操作。强制性国家标准的编号由强制性国家标准代号(GB)、顺序号和年代号构成。国务院标准化行政主管部门应当自发布之日起二十日内在全国标准信息公共服务平台上免费公开强制性国家标准立本。
如下图GB 50202-2018《建筑地基基础工程施工质量验收标准》,其中GB 50202 -2018(GB)国家标准代号 (50202)顺序号 -(2018)年代号。
“50” 开头的前缀:
工程建设领域的强制性国家标准,编号都以 GB 50XXX 开头,用来和其他领域的国家标准(如 GB 1234 这类通用标准)区分开,表明这是由住建部归口管理的工程建设类标准。
“202” 部分:
它是该标准在工程建设强制性标准序列里的专属顺序号,对应这份《建筑地基基础工程施工质量验收标准》,用来唯一标识这个标准文件。
UDC 是 Universal Decimal Classification 的缩写,中文叫国际十进分类法(也叫通用十进制分类法),是一种国际通用的文献 / 信息分类编码体系。
UDC 下方的 “P”,是我国《中国标准文献分类法》里的一级类目代号,代表工程建设类,和 UDC 配合使用,能更精准地定位这份标准的专业领域。

图1 国家标准示意
(2)强制性国家标准发布后实施前,企业可以选择执行原强制性国家标准或者新强制性国家标准。新强制性国家标准实施后,原强制性国家标准同时废止。
四.标准的编号
(1)强制性国家标准(GB),推荐性国家标准(GB/T)。
(2)工程强制性国家标准(GB ****- XXXX),工程推荐性国家标准(GB/T ****- XXXX)。其中,****为标准的顺序号,XXXX为发布标准的年份。
(3)水利行业强制性标准(SL****- XXXX),推荐性标准(SL/T ****- XXXX)。
其中,根据国家标准编号相关规定,2019年4月8日前发布的水利行业标准编号,为全文推荐行业标准或条文强制行业标准的统一编号;2019为“SL****- XXXX”年4月8日后发布的水利推荐性行业标准编号为“SL/T ****- XXXX”,强制性行业标准编号为“SL ****- XXXX”。

图2 水利工程推荐标准示意
《水利水电工程锚喷支护技术规范》SL /T 377-2025可以看出,为水利行业推荐性标准;2025年3月14日发布,2025年6月14日实施(正好3个月)。
行业标准由水利部审批、编号、发布,并报国务院标准化行政主管部门备案。行业标准的发布时间为水利部批准时间,开始实施时间不应超过其后的3个月。行业标准的出版发行,由主管机构委托具有相关出版资质的单位负责。
ICS 是 International Classification for Standards 的缩写,中文全称是国际标准分类法,是由国际标准化组织(ISO)编制的国际通用标准文献分类体系。
水利行业标准(SL/T 377-2025)的封面中,ICS 93.160 就是用这个体系给标准做的国际分类号,作用是:
它是一个三级分类体系, 93.160 就属于:
一级类 93:土木工程
二级类 93.160:水利工程,正好对应这份《水利水电工程锚喷支护技术规范》的专业领域。
CCS P 59 就是用这个体系给标准做的国内分类号:
P:一级类目,代表土木、建筑大类,是所有工程建设相关标准的归口大类。
59:二级类目,在 P 大类下,特指水利、水电工程领域。
五、水利技术标准内容
根据《水利技术标准编写规程》SL/T1-2024,工程建设类水利技术标准应由前引部分、正文部分、补充部分组成。其中:
(1)前引部分应包括封面、发布公告、前言和目次。
图3 封面图4 发布公告
图5前言图6 目次
(2)正文部分应包括总则和技术篇章,可包括术语和符号。
图7总则图8 术语
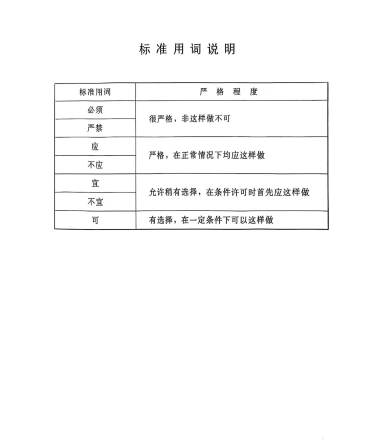
(3)补充部分应包括标准用词说明,可包括附录、标准历次版本编写者信息。

图9 用词说明

图10 附录

图11 标准历次编制者信息

