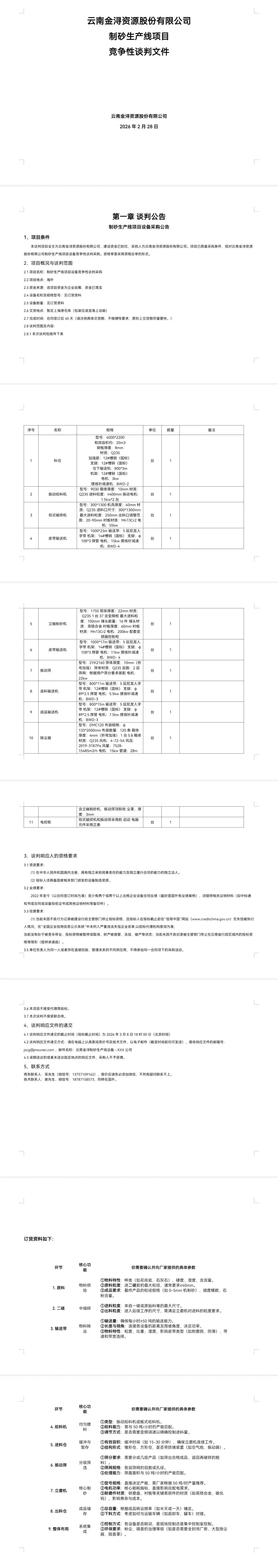
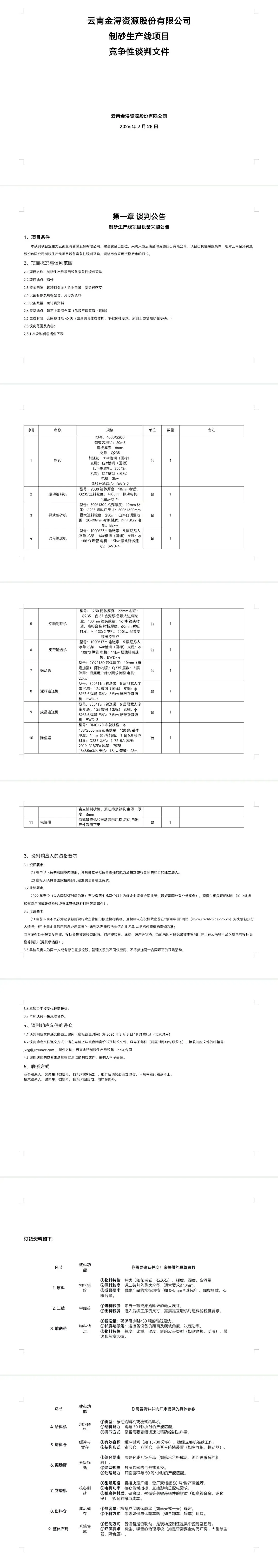
制砂生产线竞标公告
作者:本站编辑
2026-02-28 21:58:29
2
制砂生产线竞标公告
相关内容 查看全部
-
【先进制造研究院
2026-03-01 01:31 -
【析·时】2026年
2026-03-01 00:48 -
纾困解难助力转型
2026-03-01 00:46 -
茅台五粮液老总接
2026-03-01 00:27 -
5-羟基色氨酸:睡
2026-03-01 00:23 -
国内首条AI全自动
2026-03-01 00:22 -
内蒙古水泥生产线
2026-03-01 00:21 -
9000t/d熟料生产
2026-03-01 00:19 -
公司 2000t/d新型
2026-02-28 23:54 -
政企同心、马力全
2026-02-28 23:39






