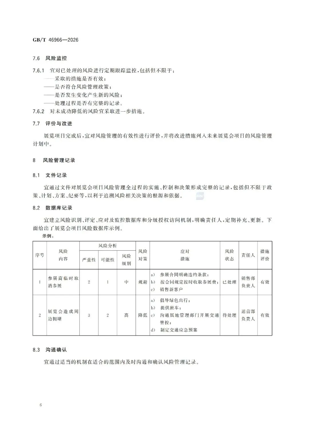
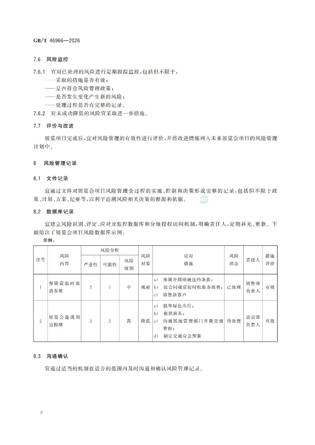
GB T 46966-2026 展览会项目 风险管理指南
作者:本站编辑
2026-02-09 11:27:16
2
- 下一篇: 2026世界电热产业博览会
- 上一篇: 三大类网站建设公司精选推荐:企业行业适配与实力口碑选型指南
相关内容 查看全部
-
3月6-8日西安家博
2026-02-09 14:04 -
东南亚水产展会推
2026-02-09 14:04 -
3月6-8日合肥家博
2026-02-09 14:02 -
禧玛诺推出2026 E
2026-02-09 14:01 -
第33届兰花博览会
2026-02-09 13:50 -
2026首届湖南东盟
2026-02-09 13:48 -
关于参加2026年新
2026-02-09 13:45 -
全球首个商务会议
2026-02-09 13:25 -
水阁国际会展中心
2026-02-09 13:24 -
【贵阳租房】525
2026-02-09 13:22














