
1目的和范围
1.1为加强中国xx集团有限公司(以下简称公司)集中采购管理体系建设,规范集中采购管理平台运行,保障集中采购工作顺利开展,根据《中冶集团既中国中冶集中采购管理规定》及《采购管理办法》等相关文件,结合公司实际制定本规定。
1.2本规定属于公司管理体系三层次文件中的第二级,其上级文件为《采购管理办法》。此文件不需二级单位编制实施细则。
1.3本规定适用于集团公司职能部门,分(子)公司、事业部(简称二级单位),直管项目经理部。
2相关术语
2.1 集中采购(简称集采):由上级主管单位组织的采购行为。其中,中冶集团采购称为一级集采,物资公司(鼎力服务公司)的采购称为二级集采;二级单位的采购称为三级集采。
2.2 自行采购(简称自采):各单位自行组织的采购过程行为(非集采材料,本规定包含三级集采)。
2.3 委托采购(简称委采):受上级部门委托进行的采购行为。
3本规定主要应对风险点
3.1公司集中采购管理体系不健全,不能保证集中采购工作有效推进,不能满足公司集中采购管理要求。
3.2公司和二级单位采购管理的职责和范围界定不清,导致集中采购管理失控。
3.3具备集中采购条件而不实施集中采购,导致采购成本增加,采购效率低下。
3.4组织集中采购工作无序,给公司造成损失。
4、管理原则
4.1公司集中采购工作遵循公开、公平、公正、阳光透明、诚实信用、效率和效益并重原则。
4.2分级授权、责权统一、奖罚分明的原则。
4.3不相容岗位分离、核心权力分置原则。
5、管理职责
5.1物资公司(鼎力服务公司)
5.1.1集中采购归口管理单位、全面负责公司集中采购管理。
5.1.2负责收集、整理、评价集中采购物资的供货商资料。
5.1.3负责组织集中采购物资询价采购、招标采购、合同会审与签订工作。
5.1.4负责集中采购合同的履约及评估工作。
5.1.5负责A类物资采购、周转材料租赁、起重设备租赁价格信息的整理发布工作。
5.2公司职能部门
5.2.1资金管理部负责协助筹集集中采购统一付款资金,催收集中采购款项。
5.2.2公司其它部门依据职能分工参与集中采购过程。
5.3二级单位、直管项目经理部
5.3.1负责所提交集中采购需用计划的准确性。
5.3.2负责集中采购合同执行过程中的资料收集、填写及上报,并保证相关内容的真实性。
5.3.3负责集中采购合同执行的过程控制,包括集中采购物资及服务的验收、挂帐、对账等工作。
5.3.4负责委托采购的采购管理工作,并及时反馈委托采购合同。
5.3.5各单位负责对本单位所有自行招标采购并做好记录。具体采购过程管理参见《采购管理办法》及《招标采购管理办法》。
今日份-采购干货免费分享


▲可上下滑动查看全图
加微信:15313877031领取
6管理内容、程序
6.1集中采购基本范围如下,公司可以根据实际情况进行调整。
6.1.1集中采购材料范围:
1)A类物资:钢材单批次采购额度200万元及以上;其它材料单批次采购额度100万元及以上;
2)B类物资:单批次采购额度200万元及以上。
3)易发工程质量事故的关键材料,以及项目开工前所需的临建材料。具体种类依据管理需要确定。
6.1.2集中采购设备范围
1)固定资产类设备采购:
a)集团公司机关部门申请采购的办公设备,根据发展规划部的审批或授权进行采购;各单位的办公设备由各单位依据资产管理相关文件进行采购。
b)各单位单台/套或单批次采购金额在100万元及以上的生产设备,实行集中采购。
2)工程设备采购:单台/套或单批次采购金额在100万元及以上实行集中采购。采购中心可以视情况委托二级公司进行采购。
6.1.3其它
1)服务类采购单批次采购金额50万元及以上者,执行集中采购。属于集团公司各部门管理的服务,统一执行集中采购。
2)项目经理部的装配式临建设施采购或租赁。
6.1.4随着集团公司经营发展的需要及集中采购工作的不断深入,需增加的集中采购种类和统一付款的范围另行通知。
6.2采购计划与实施方式
6.2.1五矿电子商务平台是集中采购业务的操作平台,也是采购业务的管理平台。各单位集中采购业务流程应通过五矿电子商务平台进行固化,以规范集中采购过程。
6.2.2 各单位应做好集中采购计划管理,加大督促协调力度,积极开展集中采购工作,并为进一步推进集中采购创造有利条件。
1)材料采购计划一般情况申报时间至少提前一周;对于特殊材质、特殊尺寸、特殊型号等需要从厂家定制的材料,至少提前30天。
2)通用设备采购需用计划申报时间一般至少提前15天,对于需要制造周期的设备,应满足制造周期要求。
6.2.3集中采购实施方式
1)统谈统签统付:物资公司(鼎力服务公司)通过集中采购确定供应商和采购结果后,由物资公司(鼎力服务公司)与供应商签订采购合同,并进行统一结算和支付。
2)统谈统签分付:物资公司(鼎力服务公司)通过集中采购确定供应商和采购结果后,并根据采购结果分别与供应商签订采购合同,采购需求单位与供应商进行结算和支付;
3)统谈分签分付:物资公司(鼎力服务公司)通过集中采购确定供应商和采购结果后,采购需求单位确认采购结果并与供应商签订采购合同及进行结算和支付相应款项。
6.2.4集中采购效果反馈。采购需求单位应对集中采购产品的质量、供应商的履约情况、服务情况等做出及时、公正的评价,便于集中采购组织单位及时掌握情况并不断改进提升集中采购质量。
6.2.5对于统谈统签统付的采购方式,物资公司(鼎力服务公司)组织采购并签订采购合同,同时与使用单位签订《物资采购协议书》(销售合同),使用单位依据协议向物资公司(鼎力服务公司)支付货款;对于统谈统签分付与统谈分签分付的采购方式,物资公司(鼎力服务公司)组织采购签订采购合同,或由使用单位与供应商签订采购合同,使用单位根据合同条款要求向供货商支付货款。
6.3管理流程
6.3.1集中采购管理流程执行具体相关的采购管理制度及《招标采购管理办法》。
6.3.2委托采购:
1)各单位委托采购要对每一份采购合同的执行情况进行反馈,采购过程供应商情况月报表(《供应商管理办法》记录11)按月上报,每月末26日前上报。
2)集中采购材料、设备、服务在五矿电子商务平台中分交的下级采购视为下达委托,并出具委托编号。
6.4 协议采购
6.4.1大宗材料集中采购,优先选择协议采购方式,通过公开招标,确定年度框架协议。暂定对螺纹线材、板材、型材、油漆、防水材料、装配式临建设施等进行协议采购,今后依据公司管理需求进行调整。
6.4.2协议采购供应商优先选择生产厂家,鼓励各单位推荐优秀供应商参与集中协议招标采购。
6.4.3需求单位在五矿电子商务平台上申报需求计划,依据框架协议的定价原则确定单价,然后按照单一来源采购的方式进行采购。使用单位如果采购时间允许,可以按单批次计划先进行招标,对比招标结果与协议采购结果,选取价格低者签订采购合同。
6.4.4原则上钢材的采购单价不高于公司协议采购价格,二级单位可以直接与其它平台内合格供应商签订采购合同,但同等条件下,应优先选择合作协议供应商。
6.4.5协议采购合同签订
1)框架协议内合同签订由二级单位,按公司制度和流程分别签订。
2)合同主体均以鼎力服务公司的名义签订。合同签字人必须在鼎力服务公司法定代表人的授权下签字。合同原件一式五份,我方三份,供应商两份。我方三份原件分别留存或递交采购单位、物资公司、财务部门。
3)合同用章:物资公司为各二级单位统一申请刻制鼎力服务公司材料采购合同专用章,并进行编号管理。此章仅限于公司集采材料协议采购专用,不得作为它用。
4)采购合同签订的同时,起草并签订与鼎力服务公司的物资采购协议书(销售合同),由鼎力服务公司法人委托人代表鼎力服务公司在出售方签字,并加盖鼎力服务公司材料采购合同专用章。
5)合同履行由各使用单位执行,物资公司进行监督。物料送抵现场验收合格后,使用单位出具《集中采购物资确认单》,报送物资公司(鼎力服务公司),以此作为结算付款依据。
6)各单位须在协议采购合同签订后三日内报送物资公司(鼎力服务公司)备案。外地区域公司可以先将电子版彩色扫描件(PDF格式)传回物资公司(鼎力服务公司)。
6.5按单采购
6.5.1协议采购之外的集中采购,依据《采购管理办法》执行询价或招标采购。
6.5.2询价采购过程需要二次议价时,使用单位应有2人以上参与谈判,直管项目由商务经理和物管部长共同参加。询价采购结果要经过各单位主管经理或直管项目经理确认后,签订采购合同。
6.5.3招标采购过程使用单位至少要推荐2人参加评标,直管项目由商务经理和物管部长参加。定标报告须由使用单位主管经理签字确认,直管项目由项目经理签字确认后,方可签订采购合同。
6.6结算与付款
6.6.1协议采购
1)协议采购的结算与付款工作由物资公司(鼎力服务公司)材料采购部执行。
2)供应商依据现场签收的物料清单开具发票,递交使用单位经办人员。使用单位收到物料后,签收直入直出单,连同发票一起及时递交物资公司(鼎力服务公司)经办人手中,物资公司(鼎力服务公司)经办人依据发票及签收单据及时办理挂账。
3)物资公司对已办理的挂账手续的材料及时以鼎力公司的名义向二级单位开具发票。
4)物资公司依据采购合同每月向集团公司资金管理部报送下月的付款计划,并按付款节点对供应商进行付款。
5)使用单位如果不能及时上缴采购资金,物资公司申请集团公司资金管理部(见记录5),从欠款单位账户直接扣除,此项资金缴清之前,该项目采购计划将不予在平台上分交,而且也不允许各单位自行采购,否则按违规采购处理。
6.6.2按单采购
1)以鼎力服务公司名义签订的采购合同
通过《集中采购确认单》进行价款结算。每月度终了,需开具增值税发票的单位,将相关资料统计完整,经物资公司(鼎力服务公司)审核认定后开增值税专用发票。
2)以公司名义签订的采购合同
a)各单位上报需用计划后,物资公司(鼎力服务公司)与各使用单位共同进行询价或招标采购,并与各使用单位签订物资采购协议书,各单位按协议要求向物资公司(鼎力服务公司)支付货款。
b)与公司各分公司、事业部之间
与有增值税业务的单位,通过《集中采购确认单》进行价款结算。每月度终了,需开具增值税发票的单位,将相关资料统计完整,经物资公司(鼎力服务公司)审核认定后开增值税专用发票。
与没有增值税业务的分公司进行价款结算,不提供发票,双方通过《集中采购确认单》进行转账等财务核算。
c)与公司各子公司之间
通过《集中采购确认单》与各子公司进行物资价款结算,并提供增值税专用发票或增值税普通发票。
6.7资金管理
6.7.1各单位应本着重合同,守信用的原则,及时清欠集中采购物资货款。
6.7.2各单位如果不按协议要求支付货款,物资公司(鼎力服务公司)将提请相关领导审批后,由资金管理部进行扣款,逾期按合同约定收取日万分之三的违约金。
6.8 监督与考核
6.8.1物资公司(鼎力服务公司)依据管理制度要求对各单位集中采购管理进行监督与考核,考核结果作为年度分子公司绩效考核评分依据。
6.8.2对于违规采购行为,依据《物资管理考核办法》对相关单位、责任人员及主要领导人进行处罚。
7相关文件
7.1《中冶集团既中国中冶集中采购管理规定》
7.2《合同专用章管理办法》(22nd MCC/经营预算部-办法-002-2019)
7.3《采购管理办法》(22nd MCC/物资公司-办法-001-2019)
7.4 《供应商管理办法》(22nd MCC/物资公司-办法-002-2019)
7.5 《招标采购管理办法》(22nd MCC/物资公司-办法-003-2019)
7.6 《鼎力服务公司合同用章管理规定》(22nd MCC/物资公司-规定-002-2019)
7.7《物资管理考核办法》(22nd MCC/物资公司-办法-011-2019)
8记录清单
8.1《集中采购合同台账》…………………………………………集采记录-001
8.2《集中采购招标采购领导小组》………………………………集采记录-002
8.3《物资采购协议书》……………………………………………集采记录-003
8.4《集中采购确认单》……………………………………………集采记录-004
8.5《扣款申请表》……………………………………………………集采记录-005
9流程图
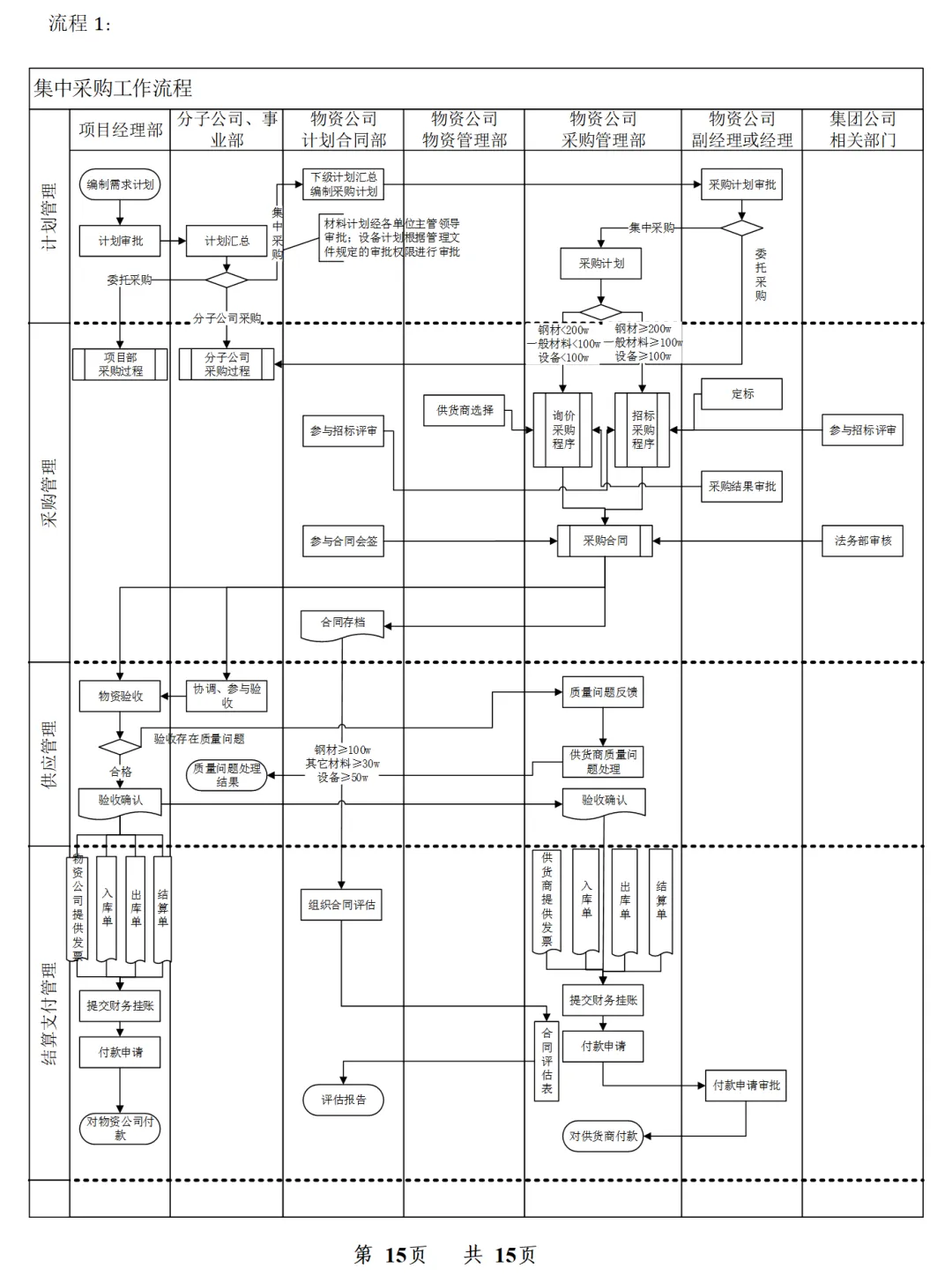
9.1《集中采购工作流程》……………………………………………流程1
10其它
10.1 本规定是公司的内部规章,仅适用于公司内部的物资集中采购管理。
10.2 任何单位和个人未经公司的书面同意而援引本办法作为诉讼或仲裁证据的行为是无效的,公司均不予认可。
附表格:
集采记录-001:集中采购合同台账
集采记录-002:集中采购招标采购领导小组
集采记录-003:物资采购协议书
集采记录-004: 集中采购确认单
集采记录-005:月材料扣款申请表
集采流程表1

来源:网络



—— 职业采购高端课程CPPM认证年度推荐 ——
注册职业采购经理CPPM认证项目是美国采购协会(APS)为提升个人和团体采购技能而设的一种认证项目。该项目致力于提高采购技能,增加采购知识,以达到国际采购水平。《注册号为劳引字[2005]001 号》注册职业采购经理CPPM证书被纳入国家职业资格证书统一管理体系,获得中国人力资源和社会保障部(原劳动和社会保障部)批准注册的采购职业资格证书。其课程体系完善、全面、系统、实战,解决一切采购痛点,强大的师资队伍:APS授权讲师,及世界500强企业的高级采购管理人员联袂执教。

CPPM报考咨询:常老师
手机:15313877031(微信同号)
(添加请备注:姓名 公司名称 职务)
