发布信息
登陆/注册
搜索
搜索
导航
首页
产品供应
产品求购
企业库
酒业展会
行业资讯
认证会员
站内搜索
行业企业
当前位置:
首页
行业企业
正文
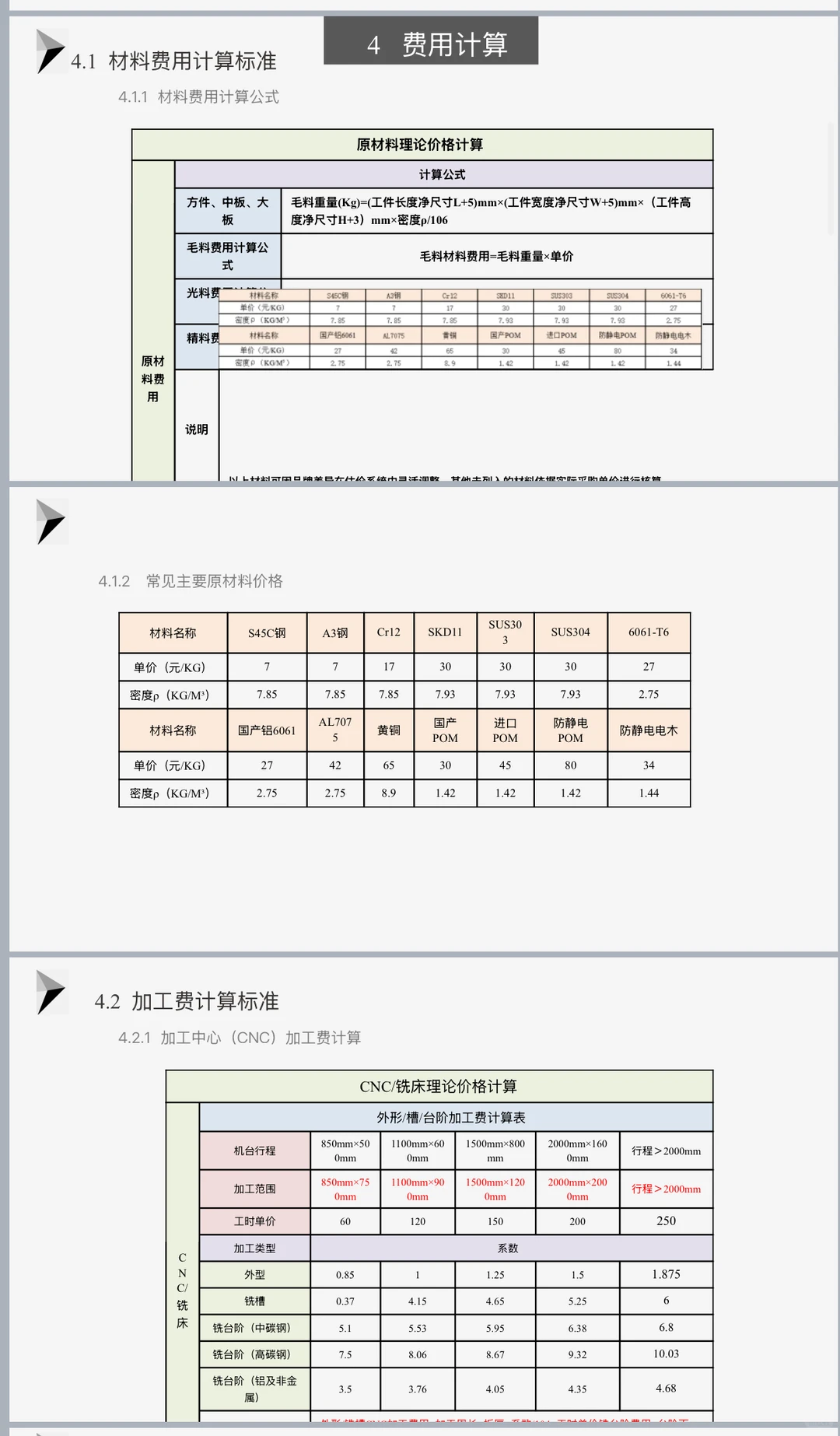
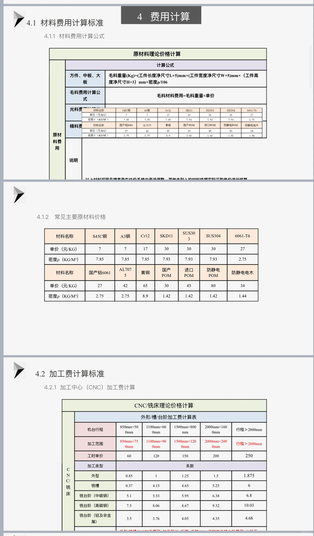
这份采购加工核价整理的太全面了!附51页PP
作者:本站编辑
2025-12-18 18:22:31
12
这份采购加工核价整理的太全面了!附51页PP
#浪漫生活的记录者
采购总监退休前整理,今天把这份采购加工核价分享给大家,希望可以对各位有所帮助
#企业采购
#机加工
#核价
#采购
#供应链管理
下一篇:
采购人,这个表真的香!?
上一篇:
玻璃栏板工程报价明细
相关内容
查看全部
CAGR为9.7%,银纳
2026-04-09 20:14
2026宁波企业IATF
2026-04-09 20:12
丽江小程序设计制
2026-04-09 20:10
补贴申请|【闵行
2026-04-09 20:06
2026年青海湖旅行
2026-04-09 20:04
最高5A!国家级证
2026-04-09 20:04
【会员走访】走访
2026-04-09 20:04
【闵行区】:闵行
2026-04-09 20:02
关于重点行业中小
2026-04-09 20:02
关于南宁市中小企
2026-04-09 19:59