发布信息
登陆/注册
搜索
搜索
导航
首页
产品供应
产品求购
企业库
酒业展会
行业资讯
认证会员
站内搜索
行业企业
当前位置:
首页
行业企业
正文
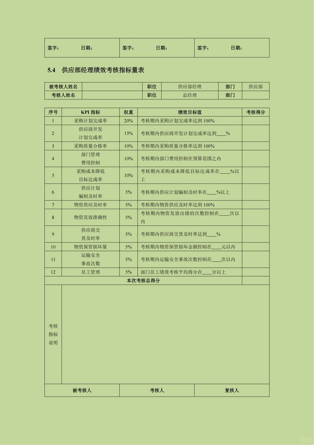
采购绩效难评估,这张表直接抄!
作者:本站编辑
2025-11-30 01:41:24
8
采购绩效难评估,这张表直接抄!
#记录吧就现在
#采购
#采购职业
#采购部
#采购员
#采购人
#采购管理
#采购日常
#采购证书
#供应链管理
#采购考核
#cppm
#CPPM
下一篇:
低碳生活,公交出行
上一篇:
女大创业
相关内容
查看全部
文旅行业出现大变
2026-04-09 00:23
教育部部长怀进鹏
2026-04-09 00:21
中国国际货代行业
2026-04-09 00:21
医药行业ERP选型
2026-04-08 23:42
3项化工安全强制
2026-04-08 23:07
CAGR为5.9%,狭缝
2026-04-08 23:07
定义行业标准:龙
2026-04-08 23:06
闵行区关于开展培
2026-04-08 23:03
行业选择与企业管
2026-04-08 23:00
2026年4月8日(酒
2026-04-08 22:55