发布信息
登陆/注册
搜索
搜索
导航
首页
产品供应
产品求购
企业库
酒业展会
行业资讯
认证会员
站内搜索
行业企业
当前位置:
首页
行业企业
正文
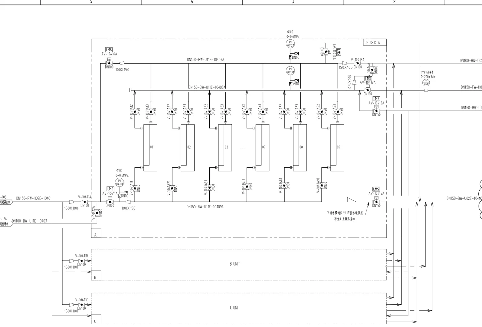
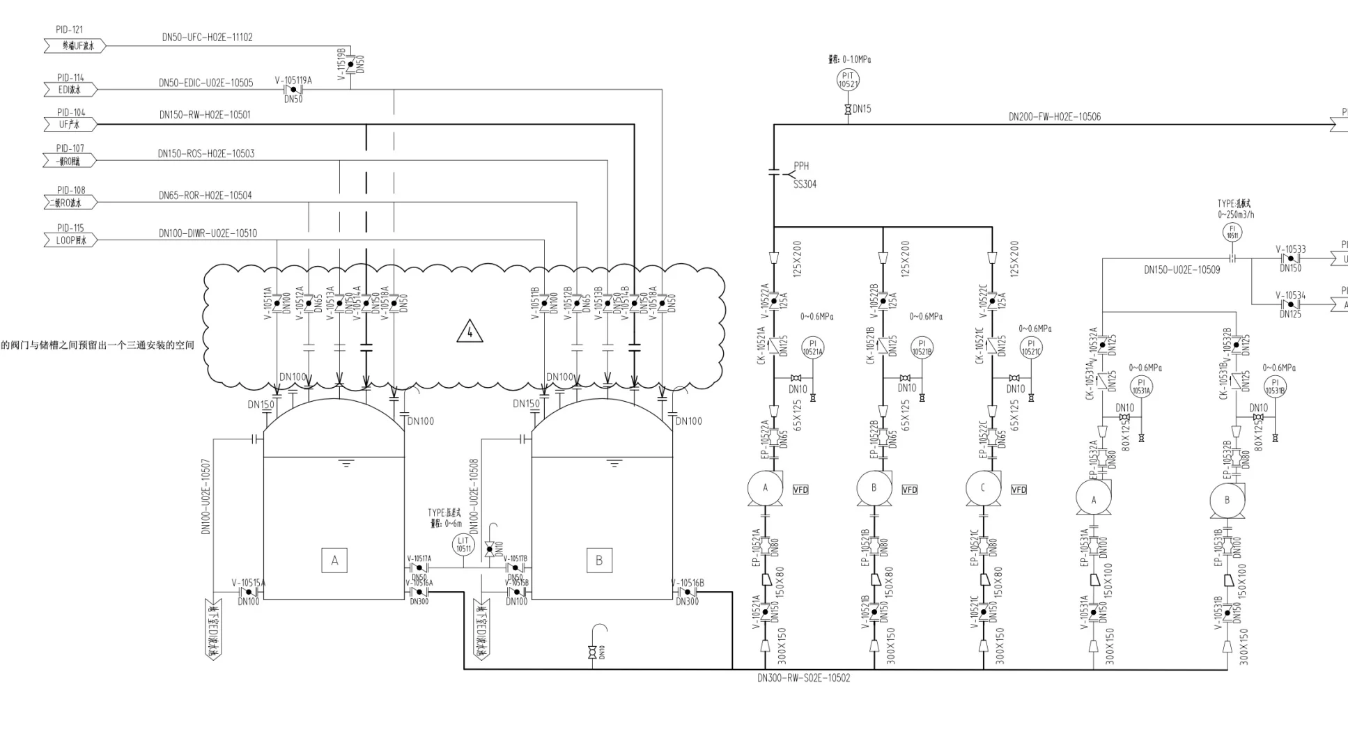
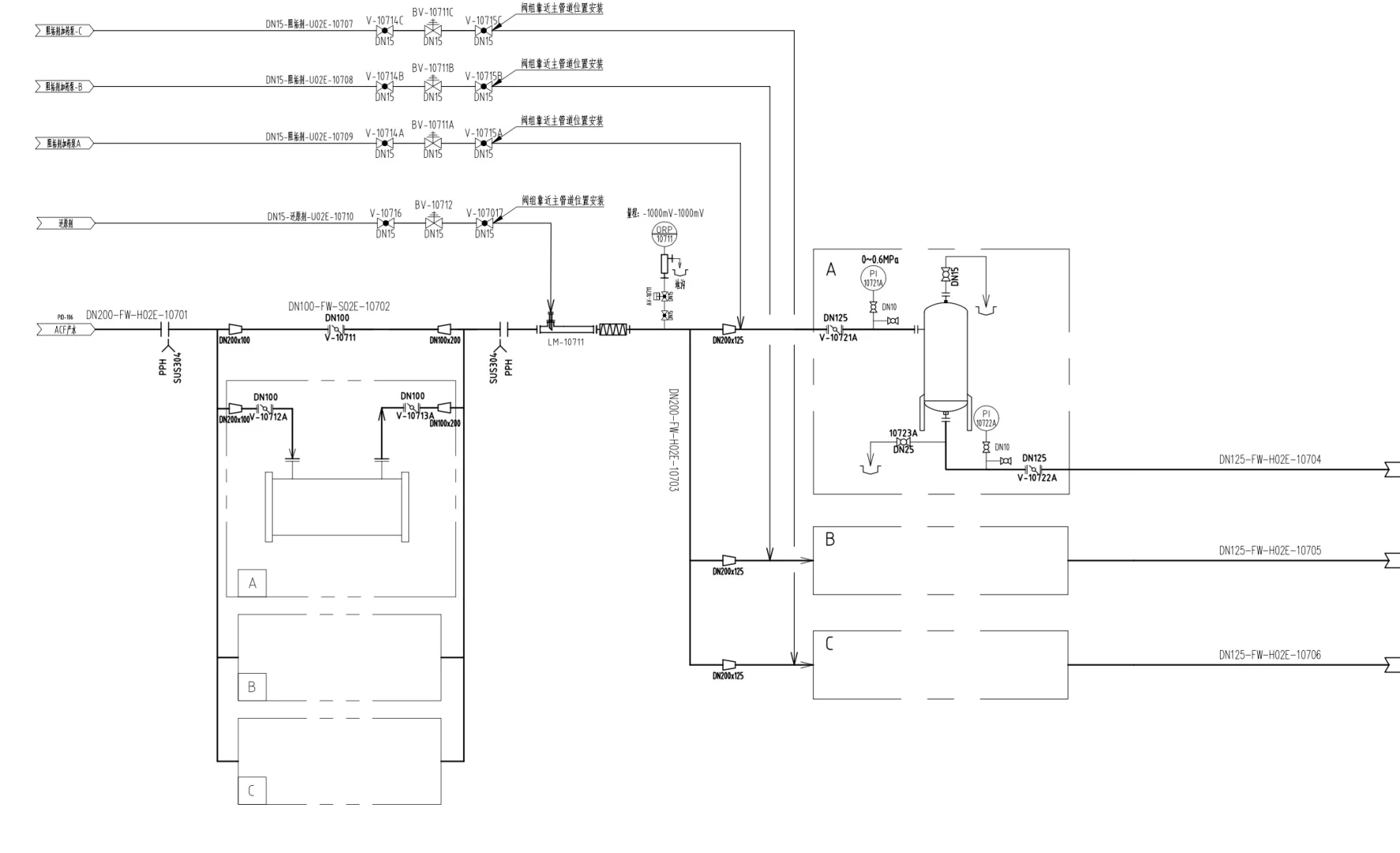
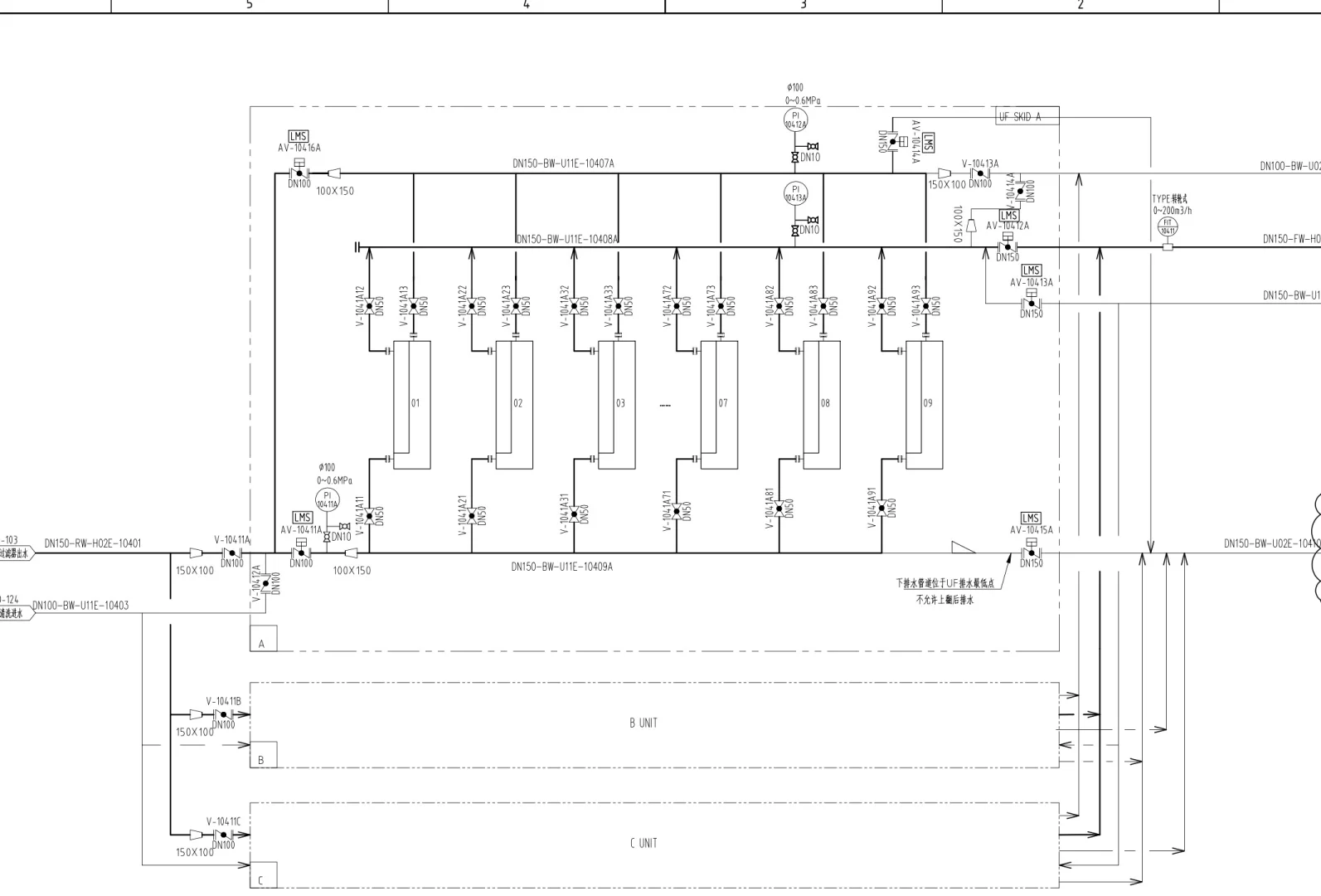
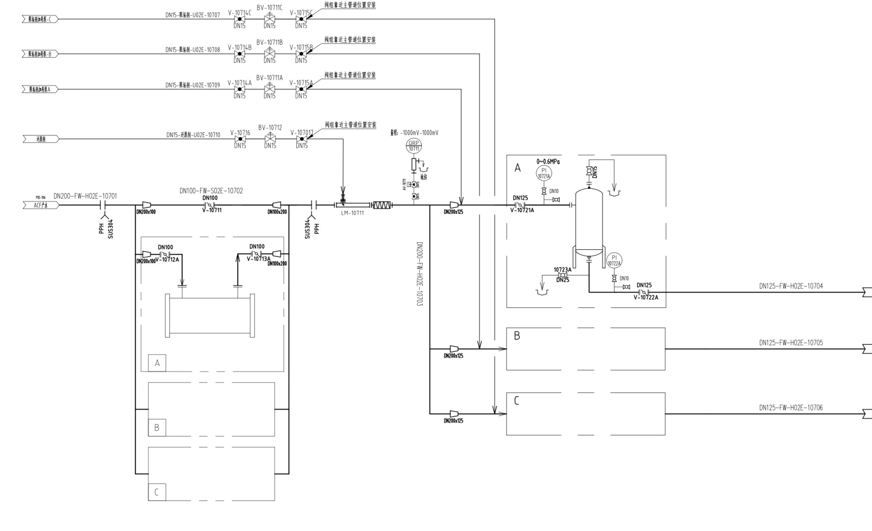
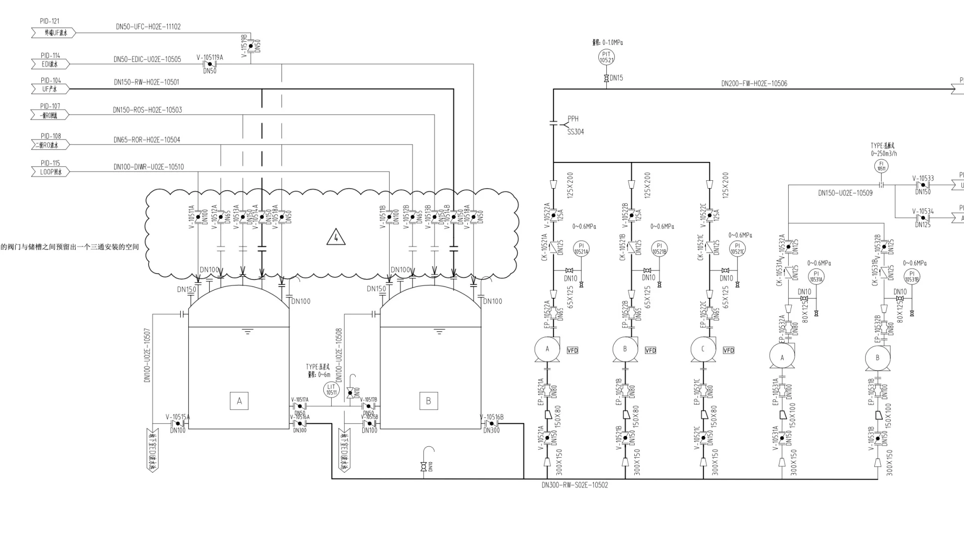
十五年水处理技术经验!国内某半导体超纯水
作者:本站编辑
2025-11-30 00:18:45
8
十五年水处理技术经验!国内某半导体超纯水
最快行业转换!199成为会员!领取水处理全套资料!技术答疑3个月!完了你就称为水处理方面技术人才了!开启找工作模式!
#找工作
#应届毕业生
#工作日常记录
下一篇:
旅游自媒体达人
上一篇:
餐饮行业运营怎么做,学会这几个方向就行了
相关内容
查看全部
一线师傅的“神改
2026-03-25 18:27
职场对谈|文化遗
2026-03-25 18:15
住建部:建设行业
2026-03-25 18:12
科技成果加速驶向
2026-03-25 18:11
桥梁钢结构生产线
2026-03-25 18:11
全国首条年产2000
2026-03-25 15:18
载誉前行 | 星源
2026-03-25 14:54
空气清新机行业,
2026-03-25 14:53
【高义包装】2026
2026-03-25 14:51
【行业资讯】松江
2026-03-25 14:50