




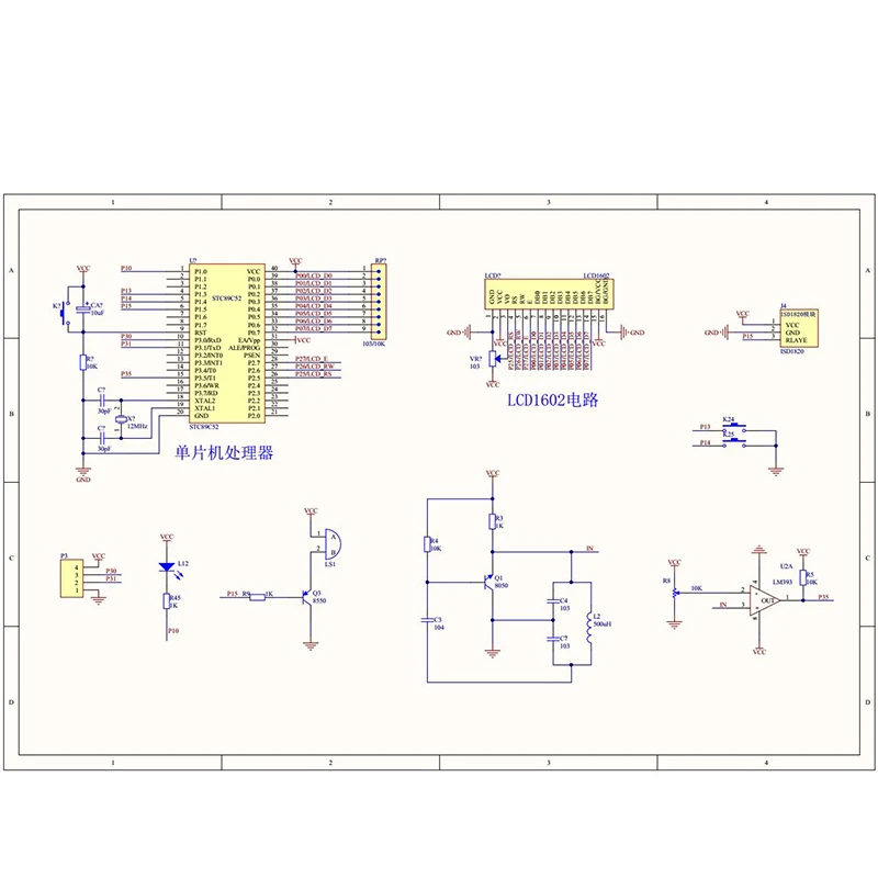
功能说明
本系统由STC89C52单片机、LCD1602液晶显示、ISB1820语音模块、按键、线圈检测、LM393比较器及电源组成。
1、LCD1602液晶实时显示当前检测金属的精度和按键设定的探测金属的精度阈值,阈值掉电不丢失。
2、如果超过了设置的精度阈值,则语音报价,液晶显示相关信息。
3、上述的采集精度表示线圈部分产生的震荡频率,有金属靠近会影响通电线圈附近磁场,从而影响震荡频率。
4、语音模块可以自行录制声音。
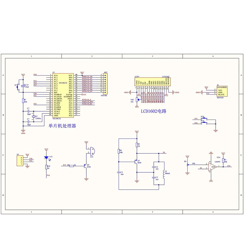
本系统由STC89C52单片机、LCD1602液晶显示、ISB1820语音模块、按键、线圈检测、LM393比较器及电源组成。
1、LCD1602液晶实时显示当前检测金属的精度和按键设定的探测金属的精度阈值,阈值掉电不丢失。
2、如果超过了设置的精度阈值,则语音报价,液晶显示相关信息。
3、上述的采集精度表示线圈部分产生的震荡频率,有金属靠近会影响通电线圈附近磁场,从而影响震荡频率。
4、语音模块可以自行录制声音。
