采购啦采购啦?
作者:本站编辑
2025-11-29 01:50:34
7
采购啦采购啦?



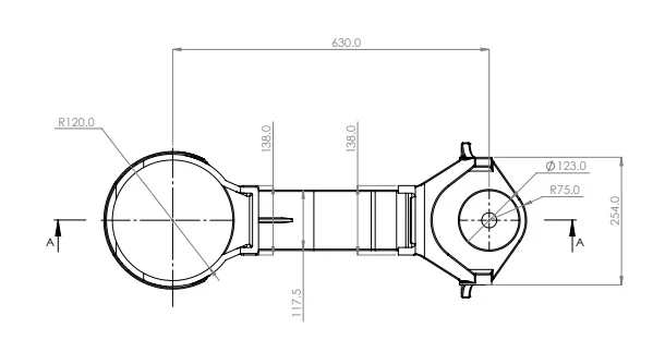
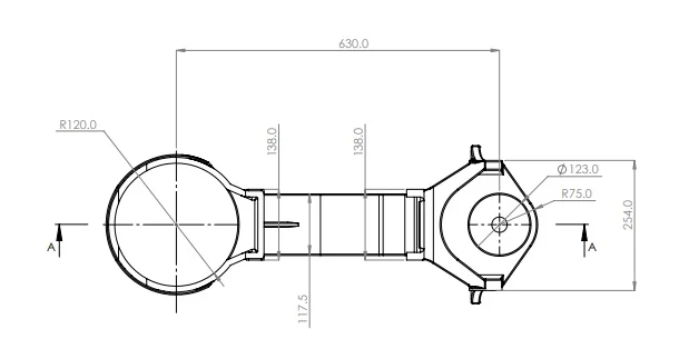
铁路配件 其它铸钢件E260-450-MS
铸造工艺不限 单重40.8kg
本次采购量:20吨
采方企业属性:大型民营采购企业
是一个长期稳定的采购任务
所 属 行 业:轨道交通
付 款 方 式:正常付款,细节双方商议
订单说明:注册资本5亿+产品需满足成分配比及性能要求,具体要求参考附件,铸造工艺不限。保质保量性价比高的厂家对接。每月20吨左右,常年订单。能做的老板快来#铸件采购 #轨道交通 #铸件