
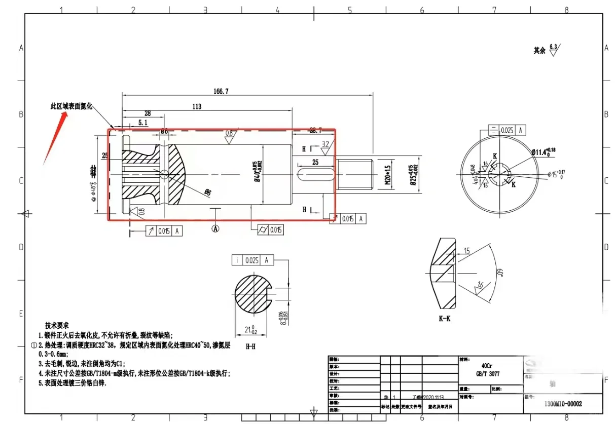
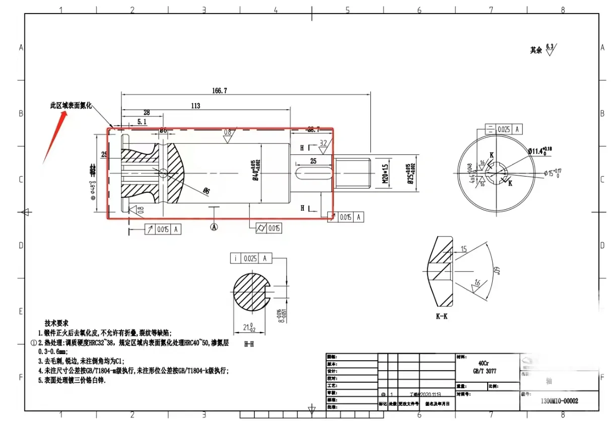
轴供应商厂家来
作者:本站编辑
2025-11-29 01:50:24
0
- 下一篇: 北京航天长征机械设备制造有限公司
- 上一篇: PVC墙布工厂
