发布信息
登陆/注册
搜索
搜索
导航
首页
产品供应
产品求购
企业库
酒业展会
行业资讯
认证会员
站内搜索
行业企业
当前位置:
首页
行业企业
正文
政府投资项目发包全流程揭秘
作者:本站编辑
2025-11-25 03:21:54
13
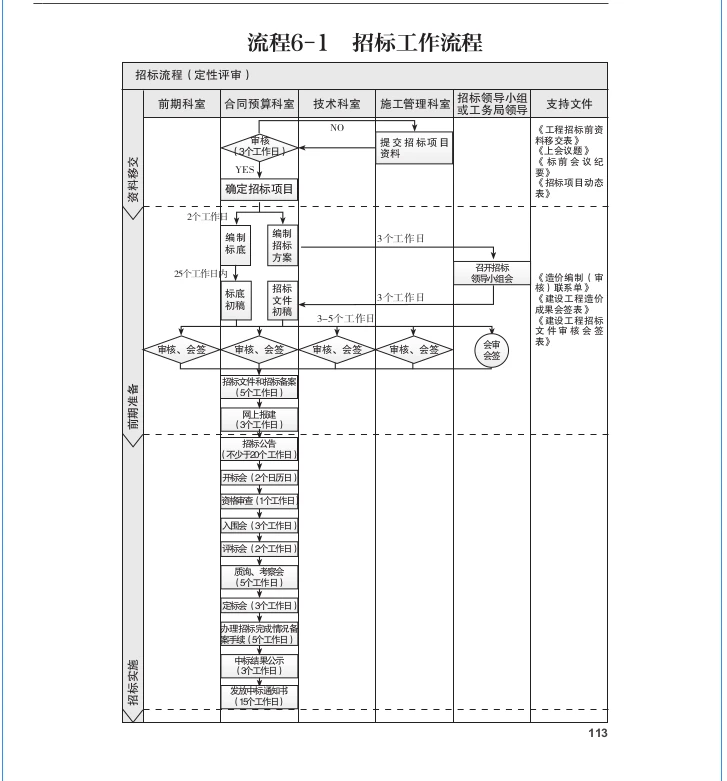
政府投资项目发包全流程揭秘
政府项目招标原来分“绿色通道”和“标准赛道”:50万元以下服务或100万元以下施工,直接委托6天走完流程;其余全公开招标,43个工作日从标底编制到发中标通知书一步不能省,图纸移交、专家会审、20天公告期统统安排!收藏这张图,下次投标不迷路~
下一篇:
A股龙头全名单
上一篇:
小白第一天,打卡
相关内容
查看全部
最新2023上市公司
2026-05-10 02:17
喷粉生产线质量纠
2026-05-10 01:50
泸州老窖35元门票
2026-05-10 01:14
又一中国企业要凉
2026-05-10 00:32
风险榜|A股企业回
2026-05-09 23:40
2025保健品行业产
2026-05-09 23:39
5月9日白酒行业资
2026-05-09 23:04
火药生产线工房里
2026-05-09 23:04
TCL华星第8.6代印
2026-05-09 23:03
勒流职业技术学校
2026-05-09 22:38