




智能电网系统构建与优化:深入探索并搭建智能化电网体系,涵盖电力精准分配、实时监控以及高效故障诊断等核心功能,旨在提升电网运行的稳定性与智能化水平。
工业自动化定制控制系统:针对特定工业流程,量身打造自动化控制系统,通过优化控制逻辑,显著提升生产效率,确保产品质量的一致性与可靠性。
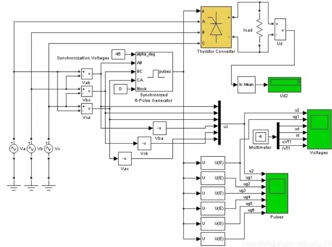
高性能电力电子变换器研发:致力于设计兼具高效能与高可靠性的电力电子变换器,精准实现电能的转换与精细控制,满足不同应用场景对电能变换的严苛需求。
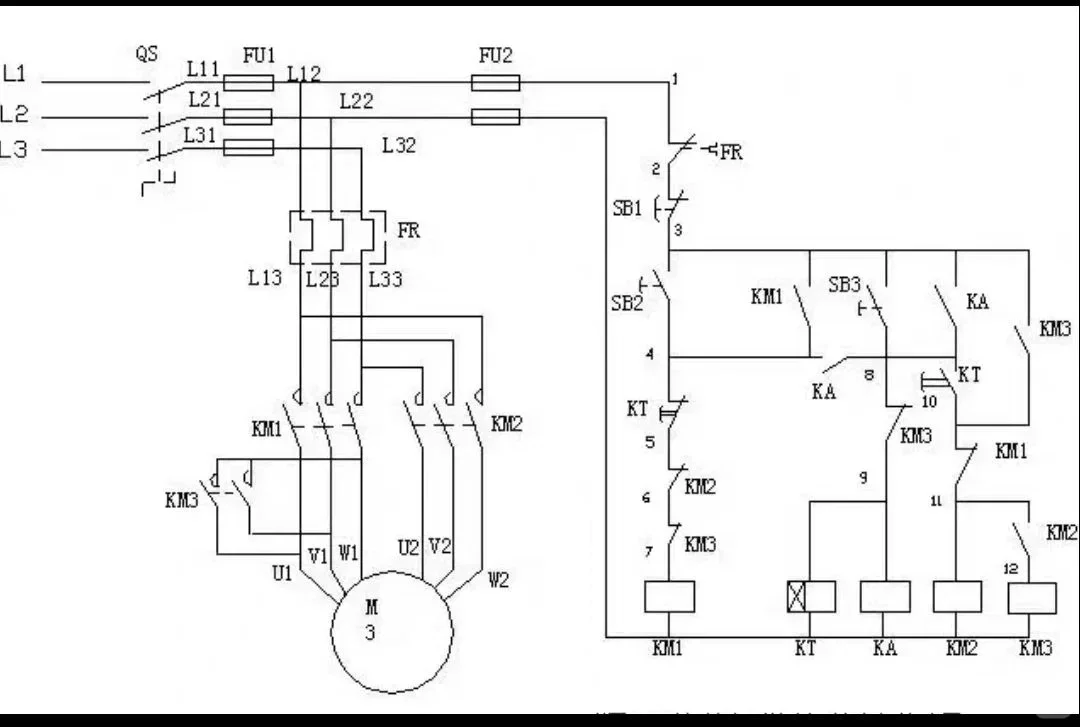
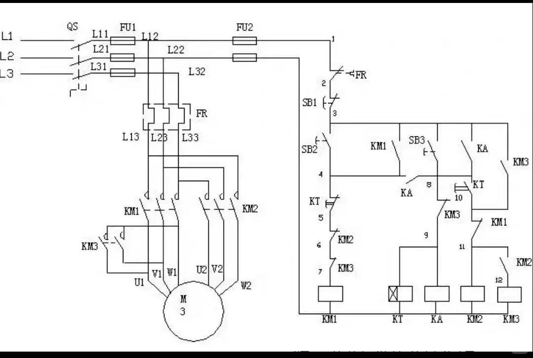
电动机精准驱动与控制系统开发:开发一套针对电动机的精密驱动与控制系统,能够实现对电机速度、转矩的精确调控,提升电机运行的稳定性与能源利用率。
智能照明系统创新设计:融合先进传感器技术与自动化控制手段,构建智能照明系统,依据环境变化自动调节光照强度与色温,营造节能、舒适的照明环境。
光伏发电系统全流程设计:全面研究并设计光伏发电系统,从光伏组件选型、逆变器配置到能量管理策略制定,确保光伏发电系统高效稳定运行。
PLC 在工业控制中的深度应用:充分利用可编程逻辑控制器(PLC)强大的逻辑处理能力,实现工业控制系统的创新设计与高效开发,助力工业生产自动化升级。
电气故障智能诊断系统搭建:研发能够精准识别电气故障的智能诊断系统,运用数据分析与智能算法,快速定位故障点,有效提升设备运行的可靠性与维护效率。
风力发电系统先进控制策略研究:深入研究风力发电系统的控制策略,通过优化叶片角度、调节发电机转速等手段,最大程度提升风能转化效率,增强风力发电的稳定性。
电动汽车充电桩定制化设计:紧扣电动汽车充电需求,设计安全、高效、便捷的充电桩,适配不同车型与充电场景,推动电动汽车产业的蓬勃发展。
若你在电气领域有写作需求,无论是课设报告、毕业论文,还是毕业设计文档撰写,亦或是需要 MATLAB 仿真辅助,都可随时私信联系我。
#电气工程论文 #论文辅导 #留学生课业辅导 #本科毕业设计 #大学生毕业设计 #电气 #电气自动化 #电气工程及其自动化 #MATLAB仿真
工业自动化定制控制系统:针对特定工业流程,量身打造自动化控制系统,通过优化控制逻辑,显著提升生产效率,确保产品质量的一致性与可靠性。
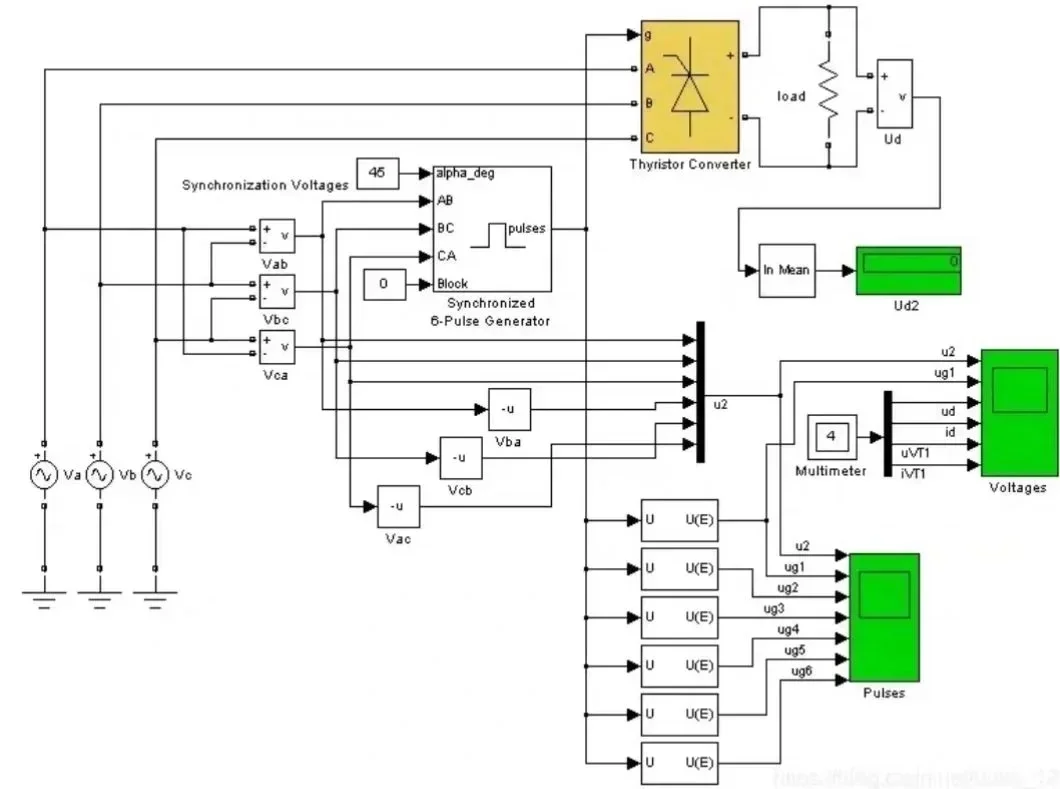
高性能电力电子变换器研发:致力于设计兼具高效能与高可靠性的电力电子变换器,精准实现电能的转换与精细控制,满足不同应用场景对电能变换的严苛需求。
电动机精准驱动与控制系统开发:开发一套针对电动机的精密驱动与控制系统,能够实现对电机速度、转矩的精确调控,提升电机运行的稳定性与能源利用率。
智能照明系统创新设计:融合先进传感器技术与自动化控制手段,构建智能照明系统,依据环境变化自动调节光照强度与色温,营造节能、舒适的照明环境。
光伏发电系统全流程设计:全面研究并设计光伏发电系统,从光伏组件选型、逆变器配置到能量管理策略制定,确保光伏发电系统高效稳定运行。
PLC 在工业控制中的深度应用:充分利用可编程逻辑控制器(PLC)强大的逻辑处理能力,实现工业控制系统的创新设计与高效开发,助力工业生产自动化升级。
电气故障智能诊断系统搭建:研发能够精准识别电气故障的智能诊断系统,运用数据分析与智能算法,快速定位故障点,有效提升设备运行的可靠性与维护效率。
风力发电系统先进控制策略研究:深入研究风力发电系统的控制策略,通过优化叶片角度、调节发电机转速等手段,最大程度提升风能转化效率,增强风力发电的稳定性。
电动汽车充电桩定制化设计:紧扣电动汽车充电需求,设计安全、高效、便捷的充电桩,适配不同车型与充电场景,推动电动汽车产业的蓬勃发展。
若你在电气领域有写作需求,无论是课设报告、毕业论文,还是毕业设计文档撰写,亦或是需要 MATLAB 仿真辅助,都可随时私信联系我。
#电气工程论文 #论文辅导 #留学生课业辅导 #本科毕业设计 #大学生毕业设计 #电气 #电气自动化 #电气工程及其自动化 #MATLAB仿真
