

























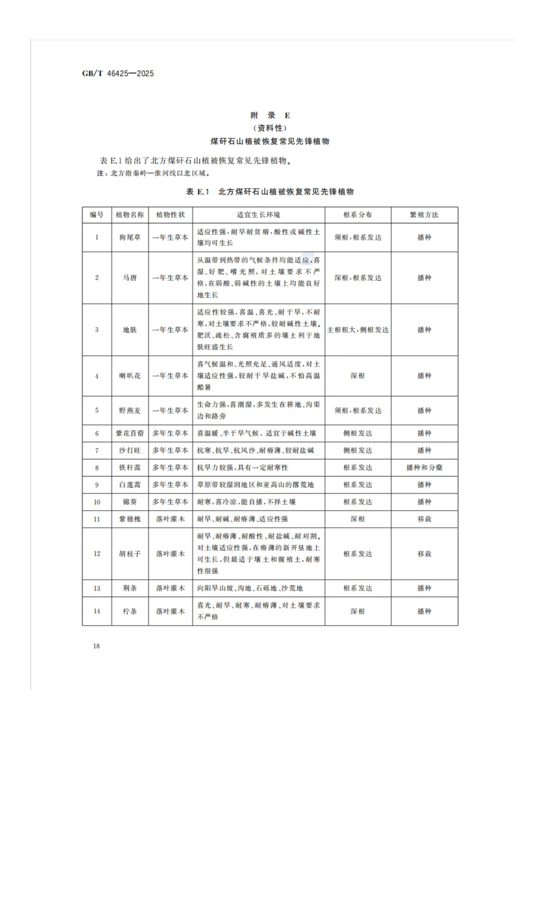
中煤地环(西安)环境科技有限公司(简称\"中煤地环\")是一家专注于矿山环境治理的科技型企业,核心业务包括矿硐酸性废水(AMD)注浆封堵、煤系固废协同处置、矸石山自燃治理及化工杂盐无害化处置。
公司依托院士工作站及自主核心技术,成功开发出全球首创的KEP矿山酸性水治理技术。该技术已应用于陕西白河县等二十余项治理工程,被列为陕西省汉江丹江流域综合治理主要支撑技术,并受邀参与国内外多项合作研究。
中煤地环愿以KEP技术为核心,为各级地方政府及矿山企业提供科学、系统的环境治理综合解决方案,致力于推动矿山生态修复与环境保护,为建设绿色矿山、实现可持续发展贡献力量。
#资源利用与环境保护 #生态系统保护 #环境污染与保护 #新质生产力绿色发展 #KEP技术 #矿山治理 #煤矸石山
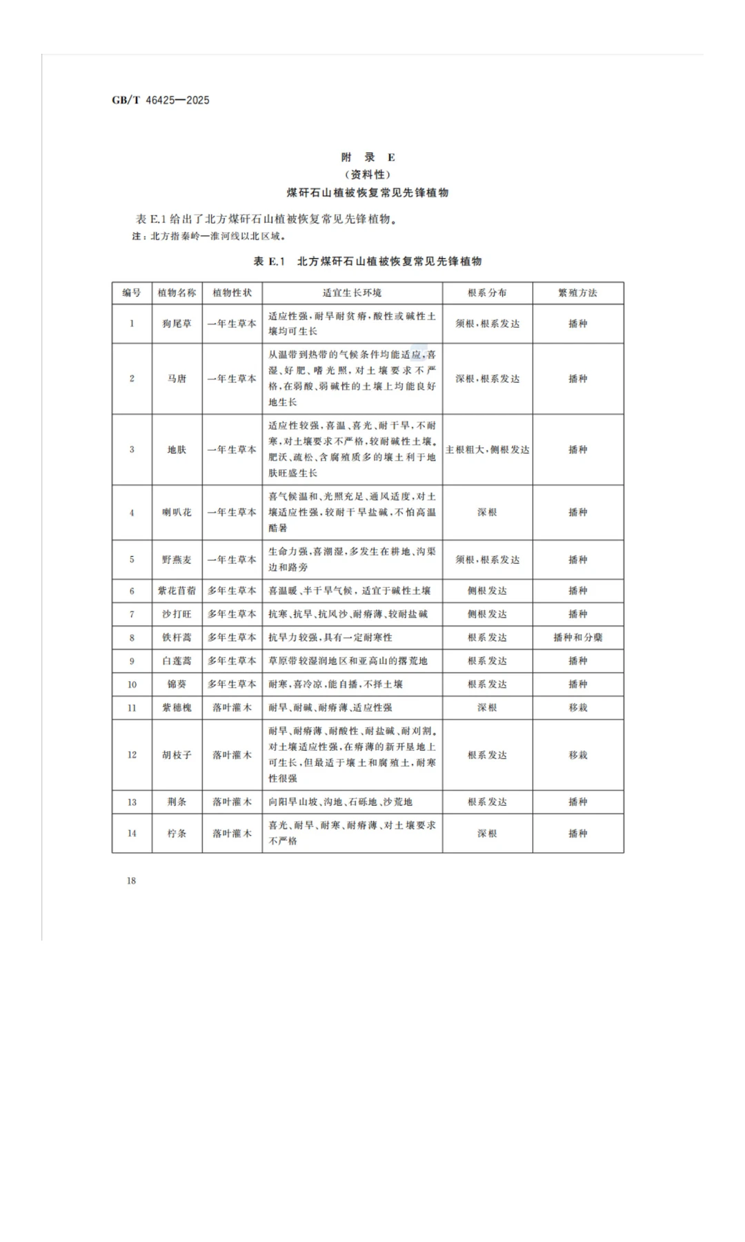
公司依托院士工作站及自主核心技术,成功开发出全球首创的KEP矿山酸性水治理技术。该技术已应用于陕西白河县等二十余项治理工程,被列为陕西省汉江丹江流域综合治理主要支撑技术,并受邀参与国内外多项合作研究。
中煤地环愿以KEP技术为核心,为各级地方政府及矿山企业提供科学、系统的环境治理综合解决方案,致力于推动矿山生态修复与环境保护,为建设绿色矿山、实现可持续发展贡献力量。
#资源利用与环境保护 #生态系统保护 #环境污染与保护 #新质生产力绿色发展 #KEP技术 #矿山治理 #煤矸石山
