发布信息
登陆/注册
搜索
搜索
导航
首页
产品供应
产品求购
企业库
酒业展会
行业资讯
认证会员
站内搜索
行业企业
当前位置:
首页
行业企业
正文
攻亿工程师??接单~
作者:本站编辑
2025-11-23 17:09:55
9
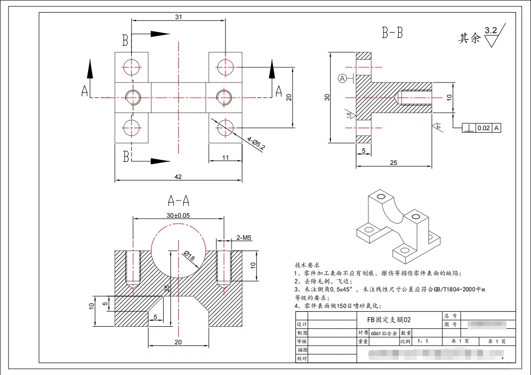
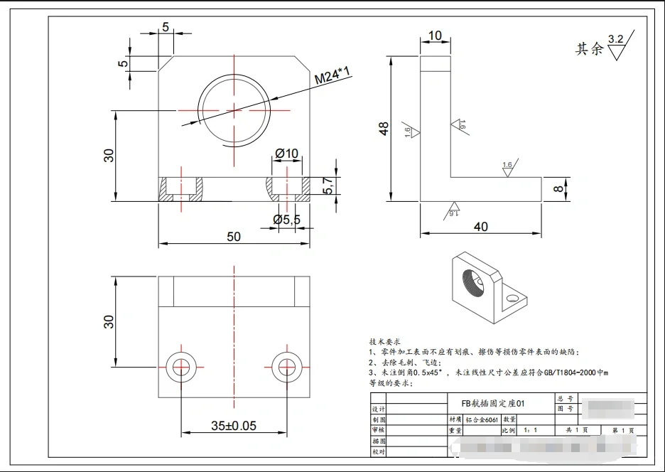
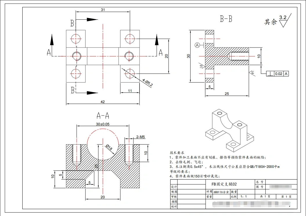
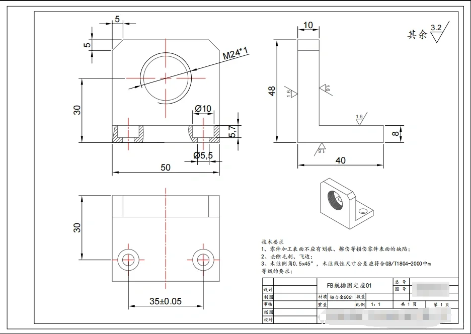
攻亿工程师??接单~
电子厂从业多年的攻亿工程师??接单~多年主攻生产线工艺优化,经验十足。接各种单:大到自动生产线设计制作,中到自动半自动化设备,小到产品夹具。统统可以,价格绝对的实惠,欢迎?咨询~
#机械设计
#设备设计
#工装夹具
#机械结构
#solidworks
#CAD
#cad图纸
下一篇:
车间生产线场景沙盘模型
上一篇:
流水线生产线
相关内容
查看全部
严把消缺质量关
2026-04-18 15:06
未来企业 | 天达
2026-04-18 15:01
制品光洁度与平整
2026-04-18 15:01
酒钢宏兴4200mm宽
2026-04-18 14:59
上海市果品行业协
2026-04-18 14:58
赴全球盛会,探行
2026-04-18 14:50
白酒酒水行业的“
2026-04-18 14:50
包装机,封箱机,生
2026-04-18 14:49
小技改破解生产难
2026-04-18 14:47
宝马启动第二条电
2026-04-18 14:41