










基于plc的自动灌溉系统
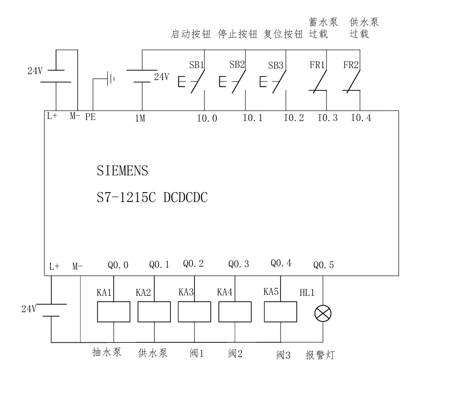
包含组态程序,电气图纸,io表,流程图,系统框图,系统报告说明书
手动模式和自动模式进行操作。
自动模式:
蓄水箱自动上水:根据设定的蓄水罐上下限参数进行自动蓄水。
当土壤湿度低于设定参数下限后,PLC控制供水泵和阀1和阀2位土壤增加湿度,直至湿度大于等于上限时停止。
当温度高于设定参数上限时,PLC控制供水泵和阀1启停给周围环境降温,通过喷出细小的露珠达到降温的效果。
手动模式:可以收的开关阀门和水泵。
对水泵的过载进行过载报警模拟。
通过右下角的模拟器进行模拟环境的变化,程序控制自动调整。
实时报警查看报警信息
历史报警记录发生时间和结束时间已经报警信息
实时曲线:实时显示温度湿度液位变化。
#毕业设计 #毕业论文 #自动灌溉系统 #plc #电气原理图绘制 #自动化 #智能硬件设计 #电气 #单片机 #嵌入式开发 #计算机毕业设计 #自动化设计 #电气工程 #电路 #课程设计
包含组态程序,电气图纸,io表,流程图,系统框图,系统报告说明书
手动模式和自动模式进行操作。
自动模式:
蓄水箱自动上水:根据设定的蓄水罐上下限参数进行自动蓄水。
当土壤湿度低于设定参数下限后,PLC控制供水泵和阀1和阀2位土壤增加湿度,直至湿度大于等于上限时停止。
当温度高于设定参数上限时,PLC控制供水泵和阀1启停给周围环境降温,通过喷出细小的露珠达到降温的效果。
手动模式:可以收的开关阀门和水泵。
对水泵的过载进行过载报警模拟。
通过右下角的模拟器进行模拟环境的变化,程序控制自动调整。
实时报警查看报警信息
历史报警记录发生时间和结束时间已经报警信息
实时曲线:实时显示温度湿度液位变化。
#毕业设计 #毕业论文 #自动灌溉系统 #plc #电气原理图绘制 #自动化 #智能硬件设计 #电气 #单片机 #嵌入式开发 #计算机毕业设计 #自动化设计 #电气工程 #电路 #课程设计
