











安徽省淮北市绿色工厂申报已开始
●截止时间: 2025.11.20
●2025年市级绿色工厂推荐数量原则上濉溪县不低于3家,三区及高新区、临涣化工园区各不低于2家。
●相关佐证资料
1. 企业营业执照复印件;
2. 企业生产许可证复印件(适用时);
3. 工厂建设批复文件复印件;
4. 三同时验收文件复印件;
5. CCC 产品认证证书复印件(适用时);
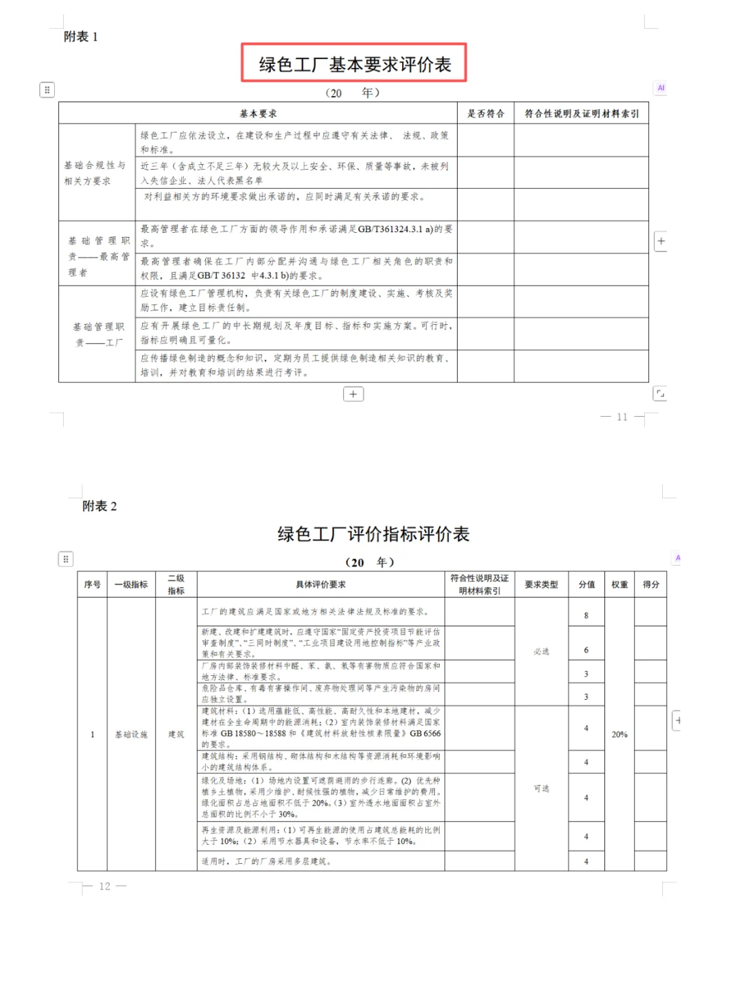
6. 组织承诺或相关方要求及证据;
7. 最高管理者承诺书(包括传达与资源);
8. 管理者代表授权书(包括 4 项职责);
9. 管理机构的组织及相关制度;
10. 文件化的绿色工厂建设的目标、指标、方案;
11. 教育和培训记录;
12. 企业三年内安全、环保设备设施运行情况;
13. 相关管理体系认证证书;
14. 厂房平面布置图(包括空间布局图、计量设备布置图);
15. 计量设备清单、用能设备清单、污染物处理设备清单、原材料清单等;
16. 合格供应商名录及其评价表、采购立项审批文件、 程序文件、招投标文件等;
17. 已采用的余热利用、分布式供能、自然冷源、水循环利用、高效照明等技术的情况说明(包括技术说明、实施情况和现场照片);
18. 能源消耗量、资源消耗量等绩效指标计算说明(包括使用的标准、计算边界、排放因数、计算过程等);
19. 申报工厂已获得的国家、地方、行业节能环保相关奖励证书等。
目前还是用的旧标准哈,还需要交纸质版的报告, 需要留意下截止时间哈
#绿色工厂 #制造业 #双碳 #双碳目标 #项目申报 #新质生产力绿色发展 #绿色低碳发展 #绿色能源转型
●截止时间: 2025.11.20
●2025年市级绿色工厂推荐数量原则上濉溪县不低于3家,三区及高新区、临涣化工园区各不低于2家。
●相关佐证资料
1. 企业营业执照复印件;
2. 企业生产许可证复印件(适用时);
3. 工厂建设批复文件复印件;
4. 三同时验收文件复印件;
5. CCC 产品认证证书复印件(适用时);
6. 组织承诺或相关方要求及证据;
7. 最高管理者承诺书(包括传达与资源);
8. 管理者代表授权书(包括 4 项职责);
9. 管理机构的组织及相关制度;
10. 文件化的绿色工厂建设的目标、指标、方案;
11. 教育和培训记录;
12. 企业三年内安全、环保设备设施运行情况;
13. 相关管理体系认证证书;
14. 厂房平面布置图(包括空间布局图、计量设备布置图);
15. 计量设备清单、用能设备清单、污染物处理设备清单、原材料清单等;
16. 合格供应商名录及其评价表、采购立项审批文件、 程序文件、招投标文件等;
17. 已采用的余热利用、分布式供能、自然冷源、水循环利用、高效照明等技术的情况说明(包括技术说明、实施情况和现场照片);
18. 能源消耗量、资源消耗量等绩效指标计算说明(包括使用的标准、计算边界、排放因数、计算过程等);
19. 申报工厂已获得的国家、地方、行业节能环保相关奖励证书等。
目前还是用的旧标准哈,还需要交纸质版的报告, 需要留意下截止时间哈
#绿色工厂 #制造业 #双碳 #双碳目标 #项目申报 #新质生产力绿色发展 #绿色低碳发展 #绿色能源转型
